Проектирование систем жилого дома
Проектирование систем жилого дома
В современном строительстве проектирование жилых домов требует строгого соблюдения нормативных актов и стандартов, что обеспечивает безопасность и комфорт будущих жильцов. Одним из ключевых документов, регулирующих этот процесс, является 87 постановление правительства, которое определяет основные принципы и требования к проектированию систем жилых зданий.
В данной статье мы рассмотрим основные аспекты проектирования систем жилого дома, опираясь на указанные нормы и правила. Мы уделим внимание следующим темам:
- Общие требования к проектированию
- Системы отопления и вентиляции
- Электроснабжение и освещение
- Водоснабжение и канализация
- Пожарная безопасность
Каждый из этих аспектов играет важную роль в создании комфортного и безопасного жилого пространства. Мы подробно разберем, как соблюдение 87 постановления влияет на проектирование и какие преимущества это приносит как застройщикам, так и жильцам.
Согласно 87 ПП (87 постановление правительства)
Проектирование систем жилого дома является важным этапом в строительстве, который требует тщательного подхода и соблюдения множества норм и правил. В соответствии с 87 постановлением правительства, проектирование должно учитывать не только архитектурные и конструктивные решения, но и инженерные системы, которые обеспечивают комфортное проживание в здании.
Одним из ключевых аспектов проектирования является инженерное обеспечение жилого дома. Это включает в себя системы водоснабжения, канализации, отопления, вентиляции и электроснабжения. Каждая из этих систем должна быть спроектирована с учетом специфики здания, его расположения и потребностей будущих жильцов.
При проектировании водоснабжения необходимо учитывать источники воды, ее качество, а также способы распределения по зданию. Важно предусмотреть наличие резервуаров для хранения воды, системы фильтрации и очистки, а также возможность подключения к центральным водопроводам.
Система канализации должна быть спроектирована таким образом, чтобы обеспечить эффективный отвод сточных вод. Это включает в себя выбор трубопроводов, их уклон, а также места подключения к центральным системам. Важно также предусмотреть возможность обслуживания и ремонта системы.
Проектирование отопления требует учета климатических условий региона, а также теплоизоляции здания. Системы отопления могут быть различными: от центрального отопления до индивидуальных котлов. Важно правильно рассчитать тепловые нагрузки и выбрать оптимальные источники тепла.
Система вентиляции играет ключевую роль в обеспечении комфортного микроклимата в жилом доме. Проектирование вентиляции должно учитывать как естественные, так и механические способы воздухообмена. Важно предусмотреть возможность регулировки потоков воздуха и фильтрации.
Электроснабжение жилого дома также требует внимательного проектирования. Необходимо учитывать потребности жильцов, а также возможность подключения к внешним источникам электроэнергии. Важно предусмотреть защиту от перегрузок и коротких замыканий, а также возможность установки дополнительных электрических приборов.
Кроме того, проектирование систем жилого дома должно учитывать нормативные требования, установленные законодательством. Это включает в себя соблюдение санитарных норм, норм безопасности, а также требований к энергоэффективности. Все проектные решения должны быть согласованы с соответствующими органами и пройти экспертизу.
Важным этапом проектирования является разработка проектной документации. Она должна включать в себя все необходимые чертежи, схемы и расчеты, которые позволят реализовать проект на практике. Документация должна быть понятной и доступной для всех участников строительного процесса.
В процессе проектирования также необходимо учитывать экологические аспекты. Это включает в себя выбор материалов, которые не наносят вреда окружающей среде, а также проектирование систем, которые минимизируют негативное воздействие на природу. Важно предусмотреть возможность утилизации отходов и использование возобновляемых источников энергии.
Таким образом, проектирование систем жилого дома – это комплексный процесс, который требует учета множества факторов. Соблюдение всех норм и правил, а также тщательное планирование и проектирование инженерных систем обеспечивают комфортное и безопасное проживание в здании.
При проектировании систем жилого дома также важно учитывать потребности жильцов. Это включает в себя анализ их привычек, образа жизни и предпочтений. Например, семьи с детьми могут нуждаться в дополнительных системах безопасности, таких как сигнализация и видеонаблюдение, а также в удобных местах для хранения вещей. Важно предусмотреть возможность адаптации систем под изменяющиеся потребности жильцов в будущем.
Не менее важным аспектом является интеграция современных технологий в проектирование жилых домов. Умные дома становятся все более популярными, и проектировщики должны учитывать возможность установки систем автоматизации, которые позволяют управлять освещением, отоплением, вентиляцией и другими системами через мобильные устройства. Это не только повышает комфорт, но и способствует экономии ресурсов.
Проектирование систем также должно учитывать доступность для людей с ограниченными возможностями. Это включает в себя проектирование пандусов, лифтов и других элементов, которые обеспечивают свободный доступ ко всем частям здания. Важно, чтобы жилой дом был комфортным и безопасным для всех категорий граждан.
Важным этапом является согласование проектных решений с местными органами власти и коммунальными службами. Это необходимо для получения разрешений на строительство и подключения к инженерным сетям. Проектировщики должны быть готовы к возможным изменениям в проекте, которые могут возникнуть в процессе согласования.
После завершения проектирования и получения всех необходимых разрешений начинается строительство жилого дома. На этом этапе важно обеспечить строгий контроль за качеством выполняемых работ и соблюдением проектных решений. Это включает в себя регулярные проверки и инспекции, а также взаимодействие с подрядчиками и поставщиками.
По завершении строительства необходимо провести пусконаладочные работы всех инженерных систем. Это включает в себя проверку их работоспособности, настройку и оптимизацию. Важно убедиться, что все системы функционируют в соответствии с проектными требованиями и обеспечивают необходимый уровень комфорта для жильцов.
После ввода в эксплуатацию жилого дома, проектировщики и застройщики должны обеспечить послепродажное обслуживание систем. Это включает в себя регулярное техническое обслуживание, а также возможность быстрого реагирования на возникающие проблемы. Важно, чтобы жильцы знали, к кому обращаться в случае необходимости ремонта или обслуживания систем.
Таким образом, проектирование систем жилого дома – это многоэтапный процесс, который требует комплексного подхода и учета множества факторов. От качества проектирования и реализации зависит не только комфорт и безопасность жильцов, но и долговечность самого здания. Соблюдение всех норм и правил, а также внедрение современных технологий и подходов обеспечивают успешное завершение проекта и удовлетворение потребностей будущих жильцов.
Пояснительная записка
Проектирование систем жилого дома является важным этапом в строительстве, который требует комплексного подхода и учета множества факторов. В этом процессе необходимо учитывать как технические, так и социальные аспекты, чтобы создать комфортное и безопасное жилье для будущих жителей.
Одним из ключевых аспектов проектирования является определение функциональных требований к жилому дому. Это включает в себя:
- Определение количества жилых помещений и их назначения.
- Проектирование общественных зон, таких как холлы, коридоры и места для отдыха.
- Учет потребностей людей с ограниченными возможностями.
- Создание удобных и безопасных выходов и входов в здание.
Следующим важным этапом является выбор архитектурного стиля и планировки. Архитектурный стиль должен соответствовать окружающей среде и учитывать предпочтения целевой аудитории. При этом необходимо:
- Изучить местные архитектурные традиции.
- Определить оптимальную высоту и форму здания.
- Разработать планировку, которая обеспечит максимальное использование пространства.
Не менее важным является инженерное проектирование, которое включает в себя:
- Проектирование систем отопления, вентиляции и кондиционирования воздуха (ОВК).
- Разработку электрических и сантехнических систем.
- Обеспечение надежности и безопасности всех инженерных систем.
Также необходимо учитывать экологические аспекты проектирования. Это включает в себя:
- Использование экологически чистых материалов.
- Проектирование систем для эффективного использования энергии.
- Создание зеленых зон и ландшафтного дизайна.
Важным этапом является согласование проекта с различными инстанциями. Это может включать:
- Получение разрешений на строительство.
- Согласование проектной документации с местными органами власти.
- Учет требований пожарной безопасности и санитарных норм.
Наконец, реализация проекта требует тщательного контроля за выполнением всех этапов строительства. Это включает в себя:
- Мониторинг качества строительных работ.
- Контроль за соблюдением сроков и бюджета.
- Проведение необходимых испытаний и проверок.
Таким образом, проектирование систем жилого дома — это многогранный процесс, который требует внимания к деталям и тщательной проработки всех аспектов. Каждый из этапов играет важную роль в создании комфортного и безопасного жилья для людей.
Важным аспектом проектирования является выбор строительных материалов. Они должны соответствовать современным стандартам качества и безопасности, а также обеспечивать долговечность и устойчивость конструкции. При выборе материалов необходимо учитывать:
- Климатические условия региона, в котором будет построен дом.
- Энергоэффективность и теплоизоляционные свойства материалов.
- Экологические характеристики, такие как возможность переработки и отсутствие вредных веществ.
Кроме того, планирование систем коммуникаций является неотъемлемой частью проектирования. Это включает в себя:
- Разработку схемы водоснабжения и канализации.
- Проектирование системы электроснабжения, включая распределительные щиты и освещение.
- Создание системы связи, включая интернет и телефонные линии.
Необходимо также учитывать пожарную безопасность жилого дома. Это включает в себя:
- Проектирование путей эвакуации и размещение аварийных выходов.
- Установку систем автоматического пожаротушения и сигнализации.
- Обучение персонала и жильцов правилам поведения в случае пожара.
Важным этапом является проектирование ландшафта и прилегающей территории. Это включает в себя:
- Создание зеленых насаждений и зон отдыха.
- Проектирование дорожек и площадок для автомобилей.
- Обеспечение доступа к общественному транспорту и пешеходным маршрутам.
Также стоит обратить внимание на инновационные технологии, которые могут быть внедрены в проект. Это может включать:
- Системы «умного дома», позволяющие автоматизировать управление освещением, отоплением и безопасностью.
- Использование солнечных панелей и других источников возобновляемой энергии.
- Интеграцию систем сбора и переработки дождевой воды.
Не менее важным является учет потребностей будущих жильцов. Это может включать:
- Проведение опросов и исследований для определения предпочтений и ожиданий.
- Создание гибких планировок, которые могут быть адаптированы под разные нужды.
- Обеспечение доступности услуг и инфраструктуры, таких как магазины, школы и медицинские учреждения.
В заключение, проектирование систем жилого дома — это сложный и многогранный процесс, который требует тщательной проработки всех аспектов. Успех проекта зависит от комплексного подхода, который учитывает как технические, так и социальные факторы. Важно помнить, что конечной целью является создание комфортного, безопасного и функционального жилья для людей.
Схема планировочной организации земельного участка
Проектирование систем жилого дома является важным этапом в создании комфортного и функционального жилья. На этом этапе необходимо учитывать множество факторов, включая архитектурные, инженерные и экологические аспекты. Важным элементом проектирования является схема планировочной организации земельного участка, которая служит основой для дальнейшего проектирования всех систем жилого дома.
При проектировании жилого дома необходимо учитывать следующие ключевые системы:
- Система отопления - обеспечивает комфортную температуру в помещениях. Важно выбрать оптимальный тип отопления (водяное, электрическое, газовое) в зависимости от климатических условий и доступных ресурсов.
- Система водоснабжения - включает в себя как внутренние, так и внешние сети. Необходимо предусмотреть источники воды, системы очистки и распределения, а также резервуары для хранения.
- Система канализации - отвечает за отвод сточных вод. Важно правильно спроектировать как внутренние, так и наружные сети, чтобы избежать засоров и обеспечить эффективное удаление отходов.
- Электроснабжение - включает в себя проектирование электрических сетей, распределительных щитов и систем освещения. Необходимо учитывать потребности жильцов и возможности подключения к внешним источникам энергии.
- Системы вентиляции и кондиционирования - обеспечивают приток свежего воздуха и поддержание комфортной температуры в помещениях. Важно правильно рассчитать мощность систем и их расположение.
- Системы безопасности - включают в себя охранные сигнализации, видеонаблюдение и системы контроля доступа. Эти системы должны быть интегрированы в общий проект для обеспечения безопасности жильцов.
Каждая из этих систем требует тщательного проектирования и согласования с другими элементами жилого дома. Например, система отопления должна быть совместима с архитектурными решениями, а водоснабжение - с канализацией. Поэтому важно на этапе проектирования учитывать все взаимосвязи и зависимости между системами.
Кроме того, необходимо учитывать нормативные требования и стандарты, которые регулируют проектирование жилых зданий. Это включает в себя требования к безопасности, энергоэффективности, экологии и комфорту. Например, в некоторых регионах существуют строгие нормы по использованию определенных материалов или технологий, что также должно быть учтено при проектировании.
Важным аспектом проектирования является учет особенностей земельного участка. Рельеф, климатические условия, наличие природных ресурсов и инфраструктуры - все это влияет на выбор систем и их проектирование. Например, в районах с высоким уровнем грунтовых вод может потребоваться специальная система дренажа, а в регионах с холодным климатом - более эффективные системы отопления.
На этапе проектирования также важно провести анализ потребностей жильцов. Это включает в себя изучение их предпочтений, образа жизни и требований к жилью. Например, семьи с детьми могут нуждаться в дополнительных системах безопасности, а пожилые люди - в удобных и доступных решениях для передвижения по дому.
Таким образом, проектирование систем жилого дома - это комплексный процесс, который требует учета множества факторов и взаимодействия различных систем. На следующем этапе мы рассмотрим более подробно каждую из систем, их проектирование и интеграцию в общий проект жилого дома.
При проектировании систем отопления необходимо учитывать не только тип используемого оборудования, но и его расположение. Важно правильно разместить радиаторы или конвекторы, чтобы обеспечить равномерное распределение тепла по всем помещениям. Также следует предусмотреть возможность автоматизации системы, что позволит оптимизировать потребление энергии и повысить комфорт.
Для водоснабжения важно выбрать надежные материалы для трубопроводов, которые будут устойчивы к коррозии и механическим повреждениям. Необходимо также предусмотреть систему фильтрации и очистки воды, чтобы обеспечить ее качество. Важно учитывать возможность подключения к центральным системам водоснабжения или необходимость создания автономной системы.
Проектирование канализации требует особого внимания к уклону труб и выбору материалов. Неправильный уклон может привести к заторам и неприятным запахам. Также следует предусмотреть возможность подключения к центральной канализации или создание локальной системы очистки сточных вод, что особенно актуально для загородных домов.
При проектировании электроснабжения необходимо учитывать не только потребности жильцов, но и возможность подключения к внешним источникам энергии. Важно предусмотреть резервные источники питания, такие как генераторы, для обеспечения бесперебойного электроснабжения. Также следует обратить внимание на распределение электрических нагрузок и защиту от перегрузок.
Системы вентиляции и кондиционирования должны быть спроектированы с учетом особенностей климата и архитектуры здания. Важно предусмотреть как естественную, так и механическую вентиляцию, чтобы обеспечить оптимальный воздухообмен. Кондиционеры должны быть выбраны с учетом площади помещений и их назначения.
Проектирование систем безопасности включает в себя не только установку сигнализаций и видеонаблюдения, но и создание удобных и безопасных путей эвакуации. Важно предусмотреть системы контроля доступа, которые обеспечат безопасность жильцов и защитят их имущество.
На этапе проектирования также следует учитывать экологические аспекты. Использование энергоэффективных технологий и материалов, а также систем, снижающих негативное воздействие на окружающую среду, становится все более актуальным. Это может включать в себя солнечные панели, системы сбора дождевой воды и другие решения, способствующие устойчивому развитию.
Не менее важным является учет бюджета на проектирование и строительство. Необходимо заранее определить финансовые рамки и выбрать оптимальные решения, которые соответствуют этим рамкам. Это позволит избежать перерасхода средств и обеспечить реализацию проекта в установленные сроки.
В заключение, проектирование систем жилого дома - это многогранный процесс, который требует комплексного подхода и учета множества факторов. Каждая система должна быть спроектирована с учетом особенностей здания, потребностей жильцов и нормативных требований. Важно также предусмотреть возможность дальнейшего обслуживания и модернизации систем, чтобы обеспечить их долговечность и эффективность.
Объемно-планировочные и архитектурные решения
Проектирование систем жилого дома является сложным и многогранным процессом, который требует учета множества факторов, включая функциональность, эстетику, безопасность и устойчивость. Объемно-планировочные и архитектурные решения играют ключевую роль в создании комфортного и удобного жилого пространства. В этом контексте важно рассмотреть основные аспекты проектирования, которые влияют на качество жизни жильцов.
Первым шагом в проектировании жилого дома является определение его объема и планировки. Это включает в себя выбор типа здания, его высоты, количества этажей и общей площади. Важно учитывать не только требования заказчика, но и нормы и правила, действующие в данной местности. Например, в некоторых районах могут быть ограничения по высоте зданий или плотности застройки.
При проектировании объемно-планировочных решений необходимо учитывать следующие аспекты:
- Функциональность: Каждое помещение должно выполнять свою функцию и быть удобно расположено относительно других. Например, спальни лучше размещать вдали от шумных зон, таких как гостиные или кухни.
- Эстетика: Архитектурный стиль здания должен гармонировать с окружающей средой. Это может включать выбор материалов, цветовой гаммы и форм.
- Безопасность: Проектирование должно учитывать требования к безопасности, включая эвакуационные выходы, противопожарные системы и доступность для людей с ограниченными возможностями.
- Устойчивость: Важно учитывать экологические аспекты, такие как использование энергоэффективных технологий и материалов, а также возможность интеграции возобновляемых источников энергии.
Следующим этапом является разработка архитектурных решений, которые включают в себя не только внешний вид здания, но и внутреннюю планировку. Архитектурные решения должны быть согласованы с объемно-планировочными, чтобы обеспечить гармоничное сочетание функциональности и эстетики.
При разработке архитектурных решений необходимо учитывать:
- Пропорции и масштаб: Здание должно выглядеть гармонично в контексте окружающей застройки. Это включает в себя правильное соотношение высоты, ширины и глубины.
- Свет и воздух: Важно обеспечить достаточное количество естественного света и вентиляции в помещениях. Это может быть достигнуто за счет правильного расположения окон и балконов.
- Материалы: Выбор строительных материалов влияет на долговечность, стоимость и внешний вид здания. Необходимо учитывать как традиционные, так и современные материалы.
- Инженерные системы: Проектирование должно включать в себя интеграцию всех необходимых инженерных систем, таких как отопление, вентиляция, кондиционирование и электроснабжение.
Кроме того, важно учитывать потребности будущих жильцов. Это может включать в себя создание общественных пространств, таких как детские площадки, зоны для отдыха и спортивные площадки. Такие элементы способствуют формированию сообщества и повышают качество жизни.
В процессе проектирования также необходимо учитывать возможные изменения в будущем. Это может быть связано с изменением потребностей жильцов, развитием технологий или изменением законодательства. Гибкость проектирования позволяет адаптироваться к новым условиям и требованиям.
Одним из ключевых аспектов проектирования жилого дома является создание комфортной и безопасной среды для жильцов. Это включает в себя не только внутреннюю планировку, но и организацию пространства вокруг здания. Ландшафтный дизайн, озеленение и благоустройство территории играют важную роль в формировании общего впечатления от жилого комплекса.
При проектировании внешнего пространства необходимо учитывать:
- Функциональные зоны: Создание различных зон для отдыха, игр и общения. Это может включать в себя детские площадки, зоны для барбекю, спортивные площадки и места для прогулок.
- Доступность: Обеспечение удобных и безопасных путей для передвижения, включая пешеходные дорожки, велодорожки и парковочные места. Важно, чтобы все зоны были доступны для людей с ограниченными возможностями.
- Эстетика: Ландшафтный дизайн должен гармонировать с архитектурным стилем здания. Использование растений, малых архитектурных форм и освещения может значительно улучшить внешний вид территории.
- Экологические аспекты: Важно учитывать использование местных растений, которые требуют меньше воды и ухода, а также внедрение систем сбора дождевой воды и других экологически чистых технологий.
Проектирование систем жилого дома также включает в себя интеграцию современных технологий, таких как «умный дом». Это позволяет повысить уровень комфорта и безопасности жильцов. Системы автоматизации могут контролировать освещение, отопление, вентиляцию и безопасность, что делает жизнь более удобной и экономичной.
При проектировании инженерных систем необходимо учитывать:
- Энергоэффективность: Использование современных технологий, таких как солнечные панели, системы рекуперации тепла и энергоэффективные котлы, позволяет значительно снизить затраты на коммунальные услуги.
- Системы безопасности: Включение видеонаблюдения, сигнализации и контроля доступа для повышения уровня безопасности жильцов.
- Управление ресурсами: Внедрение систем учета потребления воды и электроэнергии для оптимизации расходов и повышения осведомленности жильцов о потреблении ресурсов.
Не менее важным аспектом является соблюдение норм и стандартов, регулирующих проектирование жилых зданий. Это включает в себя как строительные нормы, так и санитарные требования. Проектировщики должны быть в курсе актуальных изменений в законодательстве и учитывать их в своих проектах.
В заключение, проектирование систем жилого дома требует комплексного подхода, который включает в себя объемно-планировочные и архитектурные решения, а также интеграцию современных технологий и соблюдение норм. Успешное проектирование позволяет создать комфортное, безопасное и эстетически привлекательное жилое пространство, которое будет отвечать потребностям жильцов и гармонировать с окружающей средой.
Конструктивные решения
Проектирование систем жилого дома является важным этапом в строительстве, который требует комплексного подхода и учета множества факторов. В этом разделе мы рассмотрим основные конструктивные решения, которые применяются при проектировании жилых зданий.
1. Фундаментные решения
Фундамент является основой любого здания, и его проектирование должно учитывать:
- Тип грунта и его несущую способность;
- Глубину заложения фундамента;
- Нагрузки от здания и внешние факторы, такие как сейсмическая активность;
- Уровень грунтовых вод.
Существуют различные типы фундаментов, такие как:
- Ленточный фундамент: подходит для зданий с несущими стенами;
- Свайный фундамент: используется на слабых грунтах;
- Плитный фундамент: применяется для тяжелых зданий и на участках с высоким уровнем грунтовых вод.
2. Конструкции стен
Стены жилого дома могут быть выполнены из различных материалов, что влияет на их теплоизоляционные и звукоизоляционные свойства:
- Кирпичные стены: обеспечивают хорошую прочность и долговечность;
- Бетонные стены: обладают высокой огнестойкостью;
- Деревянные стены: обеспечивают хорошую теплоизоляцию, но требуют дополнительной обработки для защиты от влаги и вредителей;
- Сэндвич-панели: используются для быстровозводимых зданий, обеспечивая легкость и теплоизоляцию.
При проектировании стен необходимо учитывать:
- Нагрузку от перекрытий и крыши;
- Климатические условия региона;
- Эстетические предпочтения заказчика.
3. Перекрытия
Перекрытия являются важной частью конструкции, так как они обеспечивают горизонтальную жесткость здания и разделяют этажи. Основные типы перекрытий:
- Бетонные перекрытия: обеспечивают высокую прочность и долговечность;
- Деревянные перекрытия: легкие и простые в монтаже, но менее долговечные;
- Металлические перекрытия: используются в промышленных зданиях и обеспечивают высокую прочность при меньшем весе.
При проектировании перекрытий важно учитывать:
- Нагрузку от мебели и людей;
- Возможные динамические нагрузки;
- Тепло- и звукоизоляцию.
4. Крыша
Крыша защищает здание от атмосферных воздействий и может быть выполнена в различных вариантах:
- Плоская крыша: используется в современных архитектурных решениях;
- Скатная крыша: обеспечивает хороший сток воды и снега;
- Мансардная крыша: позволяет использовать пространство под крышей для жилых нужд.
При проектировании крыши необходимо учитывать:
- Климатические условия;
- Нагрузку от снега и ветра;
- Материалы, которые будут использоваться для кровли.
5. Окна и двери
Окна и двери играют важную роль в обеспечении естественного освещения, вентиляции и безопасности жилого дома. При проектировании этих элементов необходимо учитывать:
- Энергоэффективность и теплоизоляцию;
- Эстетические предпочтения и архитектурный стиль;
- Функциональность и удобство использования.
Существует несколько типов окон:
- Однокамерные и двухкамерные стеклопакеты: обеспечивают различный уровень теплоизоляции;
- Поворотно-откидные окна: удобны в использовании и обеспечивают хорошую вентиляцию;
- Фасадные окна: используются в современных зданиях для создания эффектных архитектурных решений.
Двери также могут быть выполнены из различных материалов:
- Деревянные двери: обеспечивают хорошую теплоизоляцию и эстетичный вид;
- Металлические двери: обеспечивают высокий уровень безопасности;
- Пластиковые двери: легкие и устойчивые к воздействию влаги.
6. Инженерные системы
Проектирование инженерных систем является неотъемлемой частью создания комфортного жилого пространства. К основным системам относятся:
- Отопление: системы могут быть водяными, электрическими или комбинированными. Важно учитывать эффективность и экономичность;
- Вентиляция: обеспечивает приток свежего воздуха и удаление загрязненного. Системы могут быть естественными или механическими;
- Канализация: проектирование системы сточных вод должно учитывать уклоны и возможность подключения к центральной сети;
- Электроснабжение: необходимо предусмотреть достаточное количество розеток и освещения, а также защиту от перегрузок.
При проектировании инженерных систем важно учитывать:
- Нагрузку на сети;
- Энергоэффективность;
- Удобство эксплуатации и обслуживания.
7. Безопасность и доступность
Проектирование жилого дома должно учитывать вопросы безопасности и доступности для всех категорий граждан. Это включает:
- Пожарная безопасность: необходимо предусмотреть эвакуационные выходы, системы оповещения и автоматического пожаротушения;
- Доступность для людей с ограниченными возможностями: проектирование пандусов, лифтов и широких дверных проемов;
- Безопасность на территории: установка видеонаблюдения, освещения и ограждений.
Таким образом, проектирование систем жилого дома требует комплексного подхода, учитывающего множество факторов, от выбора материалов до инженерных решений. Каждый элемент конструкции должен быть тщательно продуман, чтобы обеспечить комфорт, безопасность и долговечность здания.
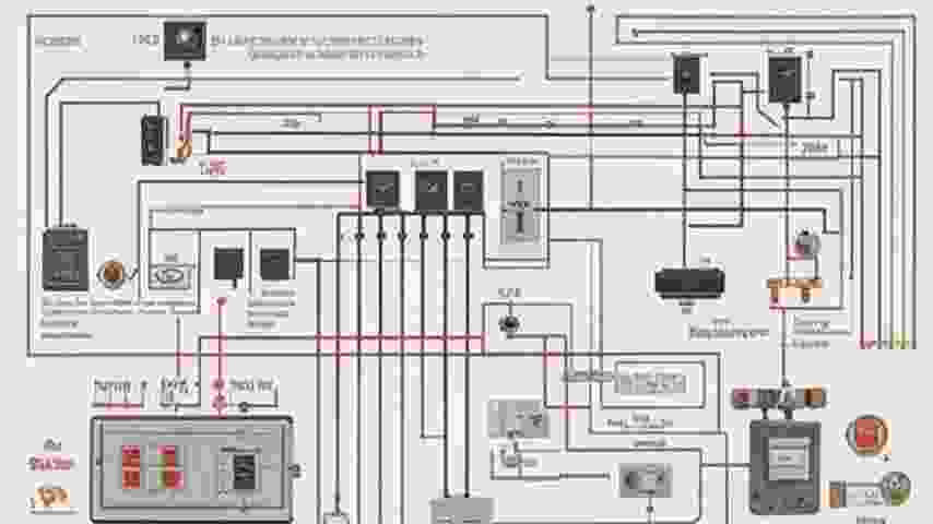
Системы электроснабжения
Проектирование систем электроснабжения жилого дома является важным этапом, который требует тщательного подхода и учета множества факторов. Основной целью проектирования является создание надежной, безопасной и эффективной системы, способной обеспечить потребности жильцов в электроэнергии. В этом процессе необходимо учитывать как технические, так и экономические аспекты.
Первым шагом в проектировании является определение потребностей в электроэнергии. Это включает в себя анализ всех электрических приборов и оборудования, которые будут использоваться в доме. Для этого составляется список всех устройств, включая освещение, бытовую технику, системы отопления и вентиляции, а также другие электроприборы. Каждое устройство имеет свою мощность, и важно правильно рассчитать общую потребляемую мощность, чтобы избежать перегрузок и обеспечить стабильную работу системы.
После определения потребностей в электроэнергии следует выбор типа электроснабжения. В зависимости от расположения жилого дома и доступных источников энергии, можно рассмотреть различные варианты, такие как централизованное электроснабжение от местной электросети или автономные источники, такие как солнечные панели или генераторы. Выбор зависит от доступности ресурсов, экономической целесообразности и предпочтений жильцов.
Следующим этапом является разработка схемы электроснабжения. Это включает в себя проектирование распределительных щитов, прокладку кабелей, установку розеток и выключателей. Важно учитывать не только расположение всех элементов, но и их соответствие нормам и стандартам безопасности. Схема должна быть понятной и логичной, чтобы в будущем не возникло проблем с обслуживанием и ремонтом.
При проектировании системы электроснабжения также необходимо учитывать параметры электросетей. Это включает в себя выбор сечения проводов, расчет потерь напряжения, а также защитные устройства, такие как автоматические выключатели и УЗО (устройства защитного отключения). Правильный выбор этих элементов обеспечивает безопасность и надежность работы системы.
Не менее важным аспектом является учет климатических условий и особенностей эксплуатации. Например, в регионах с холодным климатом необходимо предусмотреть дополнительные меры по защите проводки от замерзания, а в жарких условиях — обеспечить хорошую вентиляцию для предотвращения перегрева оборудования. Также стоит учитывать возможность возникновения коротких замыканий и других аварийных ситуаций, что требует установки соответствующих защитных устройств.
Кроме того, проектирование систем электроснабжения должно учитывать возможности будущего расширения или модернизации. Жилые дома могут меняться со временем, и важно предусмотреть возможность добавления новых электрических приборов или оборудования без необходимости полной переработки системы. Это может включать в себя установку дополнительных розеток, расширение распределительных щитов и другие изменения.
Важным этапом является согласование проекта с местными органами власти и энергетическими компаниями. Перед началом строительства необходимо получить все необходимые разрешения и согласования, что может занять значительное время. Это также включает в себя проверку соответствия проекта действующим нормам и стандартам, что является обязательным условием для получения разрешения на подключение к электросети.
Наконец, после завершения проектирования следует подготовка документации, которая включает в себя все чертежи, схемы и расчеты. Эта документация необходима не только для строительства, но и для дальнейшего обслуживания системы. Она должна быть понятной и доступной для специалистов, которые будут заниматься эксплуатацией и ремонтом электроснабжения в будущем.
После завершения проектирования и подготовки документации, следующим шагом является выбор оборудования для системы электроснабжения. Это включает в себя выбор кабелей, автоматических выключателей, распределительных щитов и других компонентов. Важно выбирать оборудование, соответствующее требованиям по мощности и безопасности, а также учитывать его долговечность и надежность. Рекомендуется использовать продукцию известных производителей, что обеспечит высокое качество и минимизирует риск поломок.
При выборе кабелей необходимо учитывать сечение проводов, которое должно соответствовать расчетной мощности и длине проводки. Чем больше расстояние от источника питания до потребителя, тем большее сечение требуется для минимизации потерь напряжения. Также следует учитывать условия эксплуатации: для наружной проводки необходимо использовать кабели с защитой от влаги и механических повреждений.
Следующий важный аспект — монтаж системы электроснабжения. Этот процесс должен выполняться квалифицированными специалистами, которые имеют соответствующие лицензии и опыт работы. Монтаж включает в себя прокладку кабелей, установку распределительных щитов, розеток и выключателей. Важно соблюдать все нормы и правила, чтобы обеспечить безопасность и надежность системы. Также необходимо проводить тестирование всех элементов системы после завершения монтажа.
После установки системы следует проверка и наладка. Это включает в себя тестирование всех электрических цепей, проверку работы защитных устройств и измерение параметров сети. Наладка позволяет выявить возможные проблемы и устранить их до ввода системы в эксплуатацию. Важно также провести обучение жильцов по безопасному использованию электрических приборов и правилам обращения с электроснабжением.
Не менее важным является обслуживание и эксплуатация системы электроснабжения. Регулярные проверки и профилактическое обслуживание помогут предотвратить аварийные ситуации и продлить срок службы оборудования. Рекомендуется составить график обслуживания, который будет включать в себя периодические проверки состояния проводки, защитных устройств и других компонентов системы.
В заключение, проектирование систем электроснабжения жилого дома — это комплексный процесс, который требует внимательного подхода и учета множества факторов. От правильного проектирования и выбора оборудования зависит не только комфорт жильцов, но и их безопасность. Поэтому важно доверять эту работу профессионалам и следовать всем установленным нормам и стандартам.
системы водоснабжения
Проектирование систем водоснабжения жилого дома является важным этапом, который требует тщательного подхода и учета множества факторов. Вода — это один из основных ресурсов, необходимых для комфортного проживания, и ее подача должна быть организована таким образом, чтобы обеспечить надежность, безопасность и эффективность.
Первым шагом в проектировании системы водоснабжения является анализ потребностей. Необходимо определить, сколько воды потребуется для различных нужд: для питья, приготовления пищи, стирки, санитарных нужд и полива. Для этого можно использовать данные о среднем потреблении воды на душу населения, а также учитывать особенности конкретного жилого дома, такие как количество жильцов и наличие дополнительных водопотребляющих устройств.
Следующим этапом является выбор источника водоснабжения. В зависимости от местоположения жилого дома, это может быть централизованная система водоснабжения, скважина или колодец. Если используется централизованная система, необходимо ознакомиться с условиями подключения и требованиями к качеству воды. В случае использования автономного источника, важно провести анализ воды на наличие загрязняющих веществ и определить, требуется ли ее дополнительная очистка.
После выбора источника водоснабжения следует разработка схемы водоснабжения. Это включает в себя проектирование трубопроводов, распределительных систем и установку необходимых устройств, таких как насосы, фильтры и счетчики. Важно учитывать не только технические характеристики, но и удобство эксплуатации системы. Например, трубопроводы должны быть расположены так, чтобы минимизировать потери давления и обеспечить равномерное распределение воды по всем точкам водоразбора.
При проектировании системы водоснабжения также необходимо учитывать нормативные требования. Существуют различные строительные нормы и правила, которые регулируют проектирование и эксплуатацию систем водоснабжения. Они касаются как качества воды, так и безопасности систем, включая требования к материалам, из которых изготавливаются трубопроводы и оборудование.
Не менее важным аспектом является выбор материалов для трубопроводов и оборудования. На рынке представлено множество вариантов, включая стальные, пластиковые и медные трубы. Каждый из этих материалов имеет свои преимущества и недостатки, которые необходимо учитывать при проектировании. Например, пластиковые трубы легкие и устойчивы к коррозии, но могут быть менее прочными, чем стальные.
Кроме того, необходимо предусмотреть систему контроля и управления водоснабжением. Это может включать установку автоматических систем, которые будут контролировать уровень воды в резервуарах, давление в трубопроводах и другие параметры. Такие системы позволяют не только повысить эффективность водоснабжения, но и снизить риски аварийных ситуаций.
Важным этапом является также планирование системы водоотведения. Это необходимо для обеспечения безопасного и эффективного удаления сточных вод из жилого дома. Проектирование системы водоотведения должно учитывать как внутренние, так и внешние системы, включая канализацию и дренаж.
В заключение, проектирование систем водоснабжения жилого дома — это комплексный процесс, который требует учета множества факторов. От правильного выбора источника воды до разработки схемы и выбора материалов — каждый этап имеет значение для обеспечения надежного и эффективного водоснабжения. Важно подходить к этому процессу с учетом всех нюансов, чтобы создать систему, которая будет служить долго и эффективно.
Следующим важным аспектом проектирования систем водоснабжения является определение схемы разводки трубопроводов. Существует несколько распространенных схем, таких как «коллекторная» и «петлевая». Коллекторная схема предполагает, что от главного трубопровода отходят отдельные линии к каждому водоразборному узлу, что позволяет легко управлять подачей воды и проводить ремонтные работы. Петлевая схема, в свою очередь, обеспечивает более равномерное распределение давления, но может быть сложнее в обслуживании.
При проектировании системы необходимо также учитывать гидравлические расчеты. Эти расчеты помогают определить диаметр труб, необходимый для обеспечения нужного потока воды, а также давление в системе. Неправильный выбор диаметра может привести к недостаточному давлению на выходе или, наоборот, к избыточному давлению, что может вызвать повреждение трубопроводов и оборудования.
Необходимо также предусмотреть систему фильтрации и очистки воды. В зависимости от качества источника воды, может потребоваться установка различных фильтров, которые удаляют механические примеси, хлор, тяжелые металлы и другие загрязняющие вещества. Это особенно важно для обеспечения безопасности питьевой воды и защиты сантехнического оборудования от повреждений.
Кроме того, стоит обратить внимание на энергетическую эффективность системы водоснабжения. Использование современных насосов с высокими показателями КПД, а также автоматизация процессов управления может значительно снизить потребление электроэнергии. Это не только экономит средства, но и способствует охране окружающей среды.
При проектировании системы водоснабжения также важно учитывать возможные аварийные ситуации. Необходимо предусмотреть резервные источники водоснабжения, такие как резервуары для хранения воды, которые могут быть использованы в случае перебоев с подачей. Также стоит установить системы сигнализации, которые будут оповещать о возможных утечках или других неисправностях.
Не менее важным является обучение пользователей правильному использованию системы водоснабжения. Жильцы должны быть информированы о том, как правильно эксплуатировать сантехнические устройства, а также о том, как действовать в случае аварийных ситуаций. Это поможет избежать многих проблем и продлить срок службы системы.
В заключение, проектирование систем водоснабжения жилого дома — это многоэтапный процесс, который требует комплексного подхода и учета множества факторов. От выбора источника воды до разработки схемы разводки и установки оборудования — каждый этап имеет значение для обеспечения надежного и эффективного водоснабжения. Правильное проектирование не только улучшает качество жизни жильцов, но и способствует экономии ресурсов и защите окружающей среды.
системы водоотведения
Проектирование систем водоотведения в жилом доме является важным этапом, который требует тщательного подхода и учета множества факторов. Основная задача системы водоотведения заключается в обеспечении эффективного и безопасного удаления сточных вод, что, в свою очередь, предотвращает загрязнение окружающей среды и обеспечивает комфортные условия для проживания.
При проектировании систем водоотведения необходимо учитывать следующие ключевые аспекты:
- Типы сточных вод: Сточные воды могут быть бытовыми, производственными или дождевыми. Каждому типу сточных вод требуется индивидуальный подход к проектированию системы.
- Объем сточных вод: Необходимо рассчитать среднесуточный и максимальный объем сточных вод, который будет образовываться в жилом доме. Это поможет определить необходимую пропускную способность системы.
- Конструкция системы: Система водоотведения может быть открытой или закрытой. Открытые системы, как правило, используются для удаления дождевых вод, в то время как закрытые системы предназначены для бытовых и производственных сточных вод.
- Материалы трубопроводов: Выбор материалов для трубопроводов также играет важную роль. Наиболее распространенными материалами являются ПВХ, полиэтилен и чугун. Каждый из них имеет свои преимущества и недостатки.
- Уровень грунтовых вод: Уровень грунтовых вод может существенно повлиять на проектирование системы. В районах с высоким уровнем грунтовых вод необходимо предусмотреть дополнительные меры для предотвращения затопления.
- Системы очистки сточных вод: Важно предусмотреть системы очистки сточных вод, которые могут включать в себя септики, биофильтры и другие устройства, обеспечивающие очистку перед сбросом в водоемы или в систему канализации.
Проектирование системы водоотведения начинается с анализа существующих условий на участке, где будет возводиться жилой дом. Это включает в себя изучение геологических и гидрологических характеристик, а также анализ существующих систем водоотведения в районе. На этом этапе важно также учитывать требования местных норм и правил, которые могут варьироваться в зависимости от региона.
Следующим этапом является разработка схемы системы водоотведения. Схема должна включать в себя расположение всех элементов системы, таких как сточные трубы, колодцы, насосные станции и очистные сооружения. Важно, чтобы система была спроектирована с учетом минимизации потерь напора и обеспечения эффективного потока сточных вод.
При проектировании системы водоотведения также необходимо учитывать возможность доступа к элементам системы для их обслуживания и ремонта. Это особенно важно для колодцев и насосных станций, которые должны быть расположены в местах, удобных для доступа.
После разработки схемы системы водоотведения следует провести расчет необходимых диаметров труб и других элементов системы. Это позволит обеспечить достаточную пропускную способность и предотвратить засоры. Расчеты должны основываться на данных о максимальных и среднесуточных объемах сточных вод, а также на характеристиках используемых материалов.
Кроме того, необходимо предусмотреть меры по предотвращению загрязнения окружающей среды. Это может включать в себя установку фильтров и очистных сооружений, а также разработку системы контроля за состоянием сточных вод. Важно, чтобы проект соответствовал всем экологическим нормам и требованиям.
На завершающем этапе проектирования системы водоотведения необходимо подготовить проектную документацию, которая будет включать в себя все расчеты, схемы и описания элементов системы. Эта документация будет служить основой для дальнейшего строительства и эксплуатации системы.
После завершения проектирования системы водоотведения и подготовки всей необходимой документации, следующим шагом является выбор подрядчика для выполнения строительных работ. Важно, чтобы подрядчик имел опыт в установке систем водоотведения и соблюдал все нормы и правила, установленные для данного вида работ. Рекомендуется проводить тендеры и выбирать наиболее подходящую компанию на основе их репутации, опыта и предложенной стоимости.
Во время строительства системы водоотведения необходимо осуществлять постоянный контроль за качеством выполняемых работ. Это включает в себя проверку соответствия выполненных работ проектной документации, а также контроль за качеством используемых материалов. Регулярные проверки помогут избежать возможных проблем в будущем и обеспечат надежность системы.
После завершения строительных работ необходимо провести испытания системы водоотведения. Испытания включают в себя проверку герметичности трубопроводов, а также тестирование работы насосных станций и очистных сооружений. Важно убедиться, что система функционирует должным образом и способна справляться с максимальными объемами сточных вод.
После успешного завершения испытаний система водоотведения может быть введена в эксплуатацию. Однако это не означает, что работа с системой завершена. Необходимо разработать план по регулярному обслуживанию и ремонту системы, который будет включать в себя периодические проверки, очистку трубопроводов и обслуживание насосных станций.
Обслуживание системы водоотведения является важным аспектом, который позволяет продлить срок службы системы и предотвратить возможные аварии. Рекомендуется вести журнал обслуживания, в котором будут фиксироваться все проведенные работы, а также выявленные проблемы и их решения. Это поможет в будущем быстро реагировать на возможные неисправности и обеспечит надежную работу системы.
Кроме того, важно обучить жильцов дома основам эксплуатации системы водоотведения. Это может включать в себя информацию о том, какие вещества нельзя сбрасывать в канализацию, а также рекомендации по правильному использованию сантехнических приборов. Обучение жильцов поможет предотвратить засоры и другие проблемы, связанные с неправильной эксплуатацией системы.
В заключение, проектирование систем водоотведения в жилом доме — это сложный и многогранный процесс, который требует внимательного подхода на всех этапах: от анализа условий на участке до эксплуатации системы. Правильное проектирование и качественное выполнение работ обеспечат надежную и эффективную работу системы, что в свою очередь создаст комфортные условия для проживания.
системы отопление вентиляции и кондиционирования воздуха
Проектирование систем отопления, вентиляции и кондиционирования воздуха (ОВК) в жилых домах является важным этапом, который требует тщательного подхода и учета множества факторов. Основная цель проектирования заключается в создании комфортного микроклимата для жильцов, обеспечении эффективного использования энергии и соблюдении норм безопасности.
На начальном этапе проектирования необходимо провести анализ требований к системе ОВК. Это включает в себя изучение климатических условий региона, в котором расположен жилой дом, а также определение потребностей жильцов. Важно учитывать такие факторы, как:
- количество жильцов и их образ жизни;
- площадь и планировка помещений;
- тип и качество строительных материалов;
- наличие окон и их размеры;
- предпочтения жильцов по температурному режиму.
После сбора всех необходимых данных, следующим шагом является выбор системы отопления. Существует несколько типов систем, которые могут быть использованы в жилых домах:
- Централизованное отопление — система, в которой теплоноситель (обычно вода) подается от центрального котла или теплоцентрали.
- Автономное отопление — система, в которой каждый дом или квартира имеет собственный котел или другое оборудование для отопления.
- Комбинированные системы — использование нескольких источников тепла, например, газового котла и солнечных коллекторов.
При выборе системы отопления необходимо учитывать не только ее эффективность, но и экономические аспекты, такие как стоимость установки и эксплуатации, а также доступность топлива.
Следующим этапом является проектирование системы вентиляции. Вентиляция играет ключевую роль в обеспечении свежего воздуха и удалении загрязнений из помещений. Существует два основных типа вентиляции:
- Принудительная вентиляция — система, в которой воздух подается и удаляется с помощью вентиляторов.
- Естественная вентиляция — система, использующая разницу температур и давления для обеспечения воздухообмена.
При проектировании системы вентиляции необходимо учитывать:
- площадь и высоту помещений;
- количество и расположение окон;
- потребности жильцов в свежем воздухе;
- влияние внешних факторов, таких как шум и загрязнение воздуха.
Также важно предусмотреть фильтрацию воздуха для улучшения качества воздуха в помещениях. Это может включать установку фильтров, которые удаляют пыль, аллергены и другие загрязнители.
Проектирование системы кондиционирования воздуха также является важной частью общего проекта. Кондиционеры обеспечивают комфортную температуру в помещениях в жаркие дни и могут быть интегрированы в систему вентиляции. При проектировании системы кондиционирования необходимо учитывать:
- размеры и планировку помещений;
- количество окон и их ориентацию;
- потребности жильцов в охлаждении;
- эффективность используемого оборудования.
Существует несколько типов кондиционеров, включая сплит-системы, мульти-сплит-системы и центральные кондиционеры. Выбор конкретного типа зависит от особенностей жилого дома и предпочтений жильцов.
После выбора систем отопления, вентиляции и кондиционирования, следующим важным этапом является расчет тепловых нагрузок. Этот процесс позволяет определить, сколько тепла необходимо для поддержания комфортной температуры в помещениях. Расчет тепловых нагрузок включает в себя:
- определение теплопотерь через стены, окна и двери;
- учет тепла, выделяемого бытовыми приборами и освещением;
- учет количества людей, находящихся в помещениях;
- определение необходимого количества свежего воздуха для вентиляции.
Для выполнения расчетов используются специальные программы и методики, которые позволяют учитывать все факторы, влияющие на тепловые нагрузки. Результаты расчетов помогут выбрать необходимое оборудование и его мощность.
Следующий этап — выбор оборудования для систем ОВК. Важно учитывать не только мощность, но и эффективность, уровень шума, а также возможность автоматизации. Современные системы могут быть оснащены интеллектуальными контроллерами, которые позволяют управлять температурой и влажностью в помещениях, а также оптимизировать потребление энергии.
При выборе оборудования также стоит обратить внимание на энергоэффективность. Классы энергоэффективности, такие как A+++, A++, A+ и т.д., помогают определить, насколько экономично будет работать оборудование. Это особенно важно в условиях растущих цен на энергоносители и необходимости снижения углеродного следа.
После выбора оборудования необходимо разработать проектную документацию. Она должна включать в себя:
- схемы расположения оборудования;
- планы прокладки трубопроводов и воздуховодов;
- спецификации на оборудование и материалы;
- расчеты тепловых и воздушных потоков.
Проектная документация должна соответствовать действующим строительным нормам и правилам, а также учитывать требования безопасности. Важно, чтобы все системы были интегрированы друг с другом, что обеспечит их эффективную работу.
После завершения проектирования следует этап монтажа систем ОВК. Монтаж должен выполняться квалифицированными специалистами, которые имеют опыт работы с подобными системами. Важно соблюдать все рекомендации производителей оборудования и проектные решения, чтобы избежать проблем в будущем.
После завершения монтажа необходимо провести пусконаладочные работы. Это включает в себя проверку работы всех систем, настройку оборудования и его оптимизацию. Пусконаладочные работы позволяют выявить и устранить возможные недостатки, а также убедиться в том, что системы работают в соответствии с проектными параметрами.
Наконец, после успешного завершения всех этапов проектирования, монтажа и наладки, следует обучение пользователей. Жильцы должны быть ознакомлены с принципами работы систем ОВК, а также с правилами их эксплуатации и обслуживания. Это поможет избежать неправильного использования оборудования и продлить срок его службы.
Таким образом, проектирование систем отопления, вентиляции и кондиционирования воздуха в жилых домах — это комплексный процесс, который требует внимательного подхода на каждом этапе. От правильного выбора систем и оборудования до их монтажа и наладки — все это влияет на комфорт и безопасность жильцов.
слаботочные системы
Проектирование слаботочных систем в жилом доме является важным этапом, который требует тщательного планирования и учета множества факторов. Слаботочные системы включают в себя различные технологии, такие как системы видеонаблюдения, охранные сигнализации, системы контроля доступа, а также системы связи и передачи данных. Все эти элементы должны быть интегрированы в единое целое, чтобы обеспечить комфорт и безопасность жильцов.
Первым шагом в проектировании слаботочных систем является анализ требований и пожеланий заказчика. Необходимо выяснить, какие именно системы будут установлены, каковы их функции и какие задачи они должны решать. Например, если в доме планируется установка системы видеонаблюдения, важно определить количество камер, их расположение и типы (внутренние или наружные).
Следующим этапом является разработка проектной документации. Она должна включать в себя схемы расположения оборудования, спецификации на используемые материалы и устройства, а также расчеты по электропитанию и прокладке кабелей. Важно учитывать, что слаботочные системы требуют особого подхода к прокладке кабелей, так как они могут пересекаться с силовыми линиями, что может привести к помехам и снижению качества работы систем.
При проектировании систем связи и передачи данных необходимо учитывать современные стандарты и технологии. Например, для обеспечения высокоскоростного интернета в жилом доме можно использовать оптоволоконные линии, которые обеспечивают большую пропускную способность и стабильность соединения. Также стоит обратить внимание на беспроводные технологии, такие как Wi-Fi, которые могут быть использованы для создания локальной сети в доме.
Системы охранной сигнализации и контроля доступа также требуют особого внимания. Важно правильно выбрать оборудование, которое будет соответствовать требованиям безопасности. Например, для контроля доступа можно использовать электронные замки, системы распознавания лиц или карты доступа. При этом необходимо учитывать, что системы должны быть удобными для пользователей и не создавать лишних трудностей при входе и выходе из здания.
Кроме того, проектирование слаботочных систем должно учитывать возможность их дальнейшего расширения и модернизации. Технологии развиваются, и через несколько лет может возникнуть необходимость в добавлении новых устройств или систем. Поэтому важно предусмотреть возможность легкого доступа к кабелям и оборудованию, а также оставить свободные каналы для прокладки новых линий.
Не менее важным аспектом является выбор места для установки оборудования. Например, камеры видеонаблюдения должны быть установлены так, чтобы обеспечить максимальный обзор территории, а системы сигнализации — в местах, где они будут наиболее эффективны. Также стоит учитывать эстетические аспекты, чтобы оборудование не портило внешний вид здания.
В процессе проектирования необходимо также учитывать требования местных норм и правил, касающихся установки слаботочных систем. Это может включать в себя требования к электробезопасности, правила установки оборудования и его эксплуатации. Соблюдение этих норм не только обеспечит безопасность, но и поможет избежать возможных штрафов и проблем с контролирующими органами.
После завершения проектирования следует этап монтажа систем. Он должен проводиться квалифицированными специалистами, которые имеют опыт работы с слаботочными системами. Неправильная установка может привести к сбоям в работе оборудования и даже к его поломке. Поэтому важно доверять монтаж только профессионалам, которые знают все тонкости и нюансы работы с такими системами.
После завершения монтажа необходимо провести тестирование всех систем. Это позволит убедиться в их работоспособности и выявить возможные недостатки. Тестирование должно включать в себя проверку всех функций, а также оценку качества связи и передачи данных. В случае выявления проблем их необходимо устранить до сдачи объекта в эксплуатацию.
Таким образом, проектирование слаботочных систем в жилом доме — это сложный и многогранный процесс, который требует внимательного подхода на каждом этапе. От правильного проектирования и установки зависит не только комфорт жильцов, но и их безопасность.
После успешного тестирования слаботочных систем следует этап их ввода в эксплуатацию. На этом этапе важно провести обучение пользователей, чтобы они могли эффективно использовать все доступные функции. Это может включать в себя инструктаж по работе с системами видеонаблюдения, охранной сигнализации и другими устройствами. Обучение может проводиться как в виде семинаров, так и с помощью предоставления инструкций и видеоматериалов.
Также стоит обратить внимание на техническое обслуживание слаботочных систем. Регулярное обслуживание позволяет выявлять и устранять потенциальные проблемы до того, как они станут серьезными. Это может включать в себя проверку работоспособности оборудования, обновление программного обеспечения и замену устаревших компонентов. Наличие плана технического обслуживания поможет продлить срок службы систем и обеспечить их надежную работу.
Важным аспектом проектирования слаботочных систем является интеграция различных технологий. Современные системы могут работать в едином информационном пространстве, что позволяет повысить уровень безопасности и комфорта. Например, системы видеонаблюдения могут быть связаны с охранной сигнализацией, что позволит автоматически уведомлять охрану о возможных угрозах. Интеграция также может включать в себя управление освещением и климатом, что создаст более комфортные условия для проживания.
При проектировании слаботочных систем необходимо учитывать и вопросы энергоэффективности. Использование современных технологий, таких как LED-освещение и энергосберегающие устройства, поможет снизить затраты на электроэнергию. Также стоит рассмотреть возможность использования альтернативных источников энергии, таких как солнечные панели, которые могут обеспечить часть потребностей жилого дома в электроэнергии.
Не менее важным является вопрос безопасности данных. Системы видеонаблюдения и контроля доступа должны быть защищены от несанкционированного доступа. Это может включать в себя использование шифрования данных, регулярные обновления программного обеспечения и установку антивирусных программ. Защита данных поможет предотвратить утечку информации и обеспечит безопасность жильцов.
В процессе проектирования также стоит учитывать возможность создания системы мониторинга и управления. Это позволит владельцам жилья контролировать состояние систем в режиме реального времени и получать уведомления о возможных неисправностях. Современные технологии позволяют интегрировать такие системы с мобильными приложениями, что делает их использование еще более удобным.
В заключение, проектирование слаботочных систем в жилом доме — это комплексный процесс, который требует учета множества факторов. От правильного выбора оборудования и технологий до обеспечения безопасности и комфорта жильцов — все это играет важную роль в создании современного и безопасного жилого пространства. Успешная реализация проекта зависит от профессионализма команды, которая занимается проектированием и монтажом, а также от внимательного подхода к каждому этапу работы.
системы газоснабжения
Проектирование систем газоснабжения жилого дома является важным этапом, который требует тщательного подхода и соблюдения всех норм и стандартов. На этом этапе необходимо учитывать множество факторов, таких как тип газового оборудования, потребности жильцов, а также особенности самого здания.
Первым шагом в проектировании является определение потребностей в газе. Это включает в себя расчет необходимого объема газа для отопления, приготовления пищи и других нужд. Для этого необходимо учитывать:
- площадь жилого помещения;
- количество жильцов;
- тип используемого газового оборудования;
- климатические условия региона.
После определения потребностей в газе, следующим этапом является выбор типа газоснабжения. Существует несколько вариантов, среди которых:
- централизованное газоснабжение;
- автономное газоснабжение;
- использование сжиженного газа.
Централизованное газоснабжение предполагает подключение к существующей газораспределительной сети, что может быть более экономичным вариантом, но требует наличия соответствующей инфраструктуры. Автономное газоснабжение, в свою очередь, подразумевает установку газовых баллонов или газгольдеров, что может быть более гибким решением, особенно в удаленных районах.
Следующим важным этапом является разработка схемы газоснабжения. На этом этапе проектировщик должен создать подробную схему, которая будет включать:
- расположение газовых приборов;
- трубопроводы;
- системы вентиляции;
- системы безопасности.
Схема должна учитывать не только технические характеристики, но и требования безопасности. Например, необходимо предусмотреть наличие вентиляционных каналов для предотвращения накопления угарного газа и других вредных веществ.
После разработки схемы, необходимо рассчитать диаметр трубопроводов. Это важный этап, так как неправильный выбор диаметра может привести к недостаточному давлению газа или, наоборот, к его избыточному давлению, что может вызвать аварийные ситуации. Для расчета диаметра трубопроводов используются специальные формулы и таблицы, которые учитывают:
- длину трубопровода;
- потери давления;
- потребление газа.
Также необходимо учитывать материалы трубопроводов. Наиболее распространенными материалами являются сталь, медь и полиэтилен. Каждый из этих материалов имеет свои преимущества и недостатки, которые необходимо учитывать при проектировании. Например, стальные трубы более прочные, но подвержены коррозии, в то время как полиэтиленовые трубы легче и устойчивее к коррозии, но могут быть менее прочными.
Не менее важным аспектом является установка газового оборудования. На этом этапе необходимо выбрать и установить газовые котлы, плиты, водонагреватели и другие приборы. При выборе оборудования следует учитывать его мощность, эффективность и соответствие современным стандартам безопасности.
После установки оборудования необходимо провести проверку системы газоснабжения. Это включает в себя тестирование на герметичность, проверку давления и функциональности всех приборов. Важно, чтобы все работы выполнялись квалифицированными специалистами, так как ошибки на этом этапе могут привести к серьезным последствиям.
Кроме того, необходимо разработать систему безопасности, которая будет включать в себя установку газовых датчиков, автоматических отключающих устройств и других средств, которые помогут предотвратить аварийные ситуации. Система безопасности должна быть интегрирована в общую схему газоснабжения и соответствовать всем действующим нормам и стандартам.
После завершения установки и проверки системы газоснабжения, следующим шагом является подготовка документации. Это включает в себя составление проектной документации, которая должна содержать все расчеты, схемы, спецификации и акты выполненных работ. Документация необходима не только для контроля качества выполненных работ, но и для дальнейшего обслуживания системы.
Важно также учитывать нормативные требования и правила, регулирующие проектирование и эксплуатацию систем газоснабжения. В разных странах и регионах могут действовать различные стандарты, которые необходимо соблюдать. Это касается как проектирования, так и установки оборудования, а также проведения регулярных проверок и обслуживания системы.
Следующий этап — обучение пользователей. После завершения всех работ необходимо провести инструктаж для жильцов о правилах безопасного использования газового оборудования. Это включает в себя объяснение принципов работы приборов, а также правил безопасности при их эксплуатации. Жильцы должны быть осведомлены о том, как действовать в случае утечки газа или других аварийных ситуаций.
Кроме того, необходимо организовать регулярное техническое обслуживание системы газоснабжения. Это включает в себя плановые проверки, очистку оборудования и замену изношенных деталей. Регулярное обслуживание позволяет предотвратить аварии и продлить срок службы системы. Важно, чтобы все работы выполнялись квалифицированными специалистами, имеющими соответствующие лицензии и сертификаты.
Не менее важным аспектом является мониторинг состояния системы. Современные технологии позволяют устанавливать системы автоматического контроля, которые могут отслеживать давление, температуру и другие параметры в режиме реального времени. Это позволяет оперативно реагировать на любые изменения и предотвращать возможные аварийные ситуации.
В заключение, проектирование систем газоснабжения жилого дома — это комплексный процесс, который требует внимательного подхода на каждом этапе. От правильного выбора оборудования и материалов до организации системы безопасности и регулярного обслуживания — все эти аспекты играют ключевую роль в обеспечении надежности и безопасности газоснабжения. Соблюдение всех норм и стандартов, а также обучение пользователей — это залог успешной эксплуатации системы газоснабжения в жилом доме.
Технологические решения
Проектирование систем жилого дома включает в себя множество технологических решений, которые обеспечивают комфорт, безопасность и энергоэффективность. Важнейшими аспектами проектирования являются выбор систем отопления, вентиляции, кондиционирования, водоснабжения и канализации, а также электрических и слаботочных систем. Каждое из этих направлений требует тщательного анализа и выбора оптимальных решений, учитывающих как технические, так и экономические параметры.
Системы отопления являются одним из ключевых элементов проектирования жилого дома. Они могут быть представлены различными типами, такими как:
- централизованное отопление;
- индивидуальное отопление (котлы, электрические обогреватели);
- теплые полы;
- конвекторы и радиаторы.
При выборе системы отопления необходимо учитывать климатические условия региона, площадь и планировку помещений, а также предпочтения жильцов. Энергоэффективные решения, такие как использование тепловых насосов или солнечных коллекторов, становятся все более популярными.
Вентиляция в жилом доме играет важную роль в обеспечении качественного воздуха. Существует несколько типов вентиляционных систем:
- естественная вентиляция;
- механическая вентиляция;
- вентиляция с рекуперацией тепла.
Естественная вентиляция основана на разнице температур и давления, что позволяет воздуху свободно циркулировать. Механическая вентиляция, в свою очередь, требует установки вентиляторов и воздуховодов, что может повысить стоимость проекта, но обеспечивает более стабильный и контролируемый воздухообмен. Системы с рекуперацией тепла позволяют экономить энергию, возвращая часть тепла из вытяжного воздуха в приточный.
Кондиционирование воздуха также является важным аспектом проектирования. Системы кондиционирования могут быть как центральными, так и локальными. Центральные системы обеспечивают охлаждение всего здания, в то время как локальные системы (например, сплит-системы) могут использоваться для отдельных помещений. При выборе системы кондиционирования необходимо учитывать не только ее эффективность, но и уровень шума, потребление энергии и возможность автоматизации управления.
Водоснабжение и канализация — это еще один важный элемент проектирования жилого дома. Системы водоснабжения могут быть как централизованными, так и автономными. Важно обеспечить достаточное давление и качество воды, а также продумать систему фильтрации и очистки. Канализационные системы должны быть спроектированы с учетом уклонов и возможности подключения к центральным сетям или создания автономной системы.
Электрические системы в жилом доме включают в себя как основные, так и дополнительные решения. Основные системы обеспечивают освещение, розетки и электропитание для бытовых приборов. Дополнительные системы могут включать:
- системы безопасности (видеонаблюдение, сигнализация);
- умный дом (автоматизация управления освещением, отоплением и другими системами);
- системы связи (интернет, телефония).
При проектировании электрических систем необходимо учитывать нагрузку, распределение электроэнергии и безопасность. Важно также предусмотреть возможность модернизации и расширения системы в будущем.
Системы слаботочной связи становятся все более актуальными в современных жилых домах. Они включают в себя различные технологии, такие как:
- системы видеонаблюдения;
- домофоны;
- системы контроля доступа;
- интернет и локальные сети.
Эти системы обеспечивают безопасность и комфорт жильцов, позволяя контролировать доступ в дом и следить за происходящим на территории. При проектировании слаботочных систем важно учитывать их интеграцию с другими системами, такими как охранные и автоматизации.
Энергоэффективность является важным аспектом проектирования жилых домов. Современные технологии позволяют значительно снизить потребление энергии и уменьшить затраты на эксплуатацию. К основным решениям в этой области относятся:
- использование высокоэффективных теплоизоляционных материалов;
- установка энергосберегающих окон и дверей;
- применение систем автоматизации для управления освещением и отоплением;
- использование возобновляемых источников энергии (солнечные панели, ветряные установки).
Энергоэффективные решения не только снижают затраты на коммунальные услуги, но и способствуют уменьшению негативного воздействия на окружающую среду.
Устойчивое проектирование также становится важным направлением в строительстве жилых домов. Это включает в себя использование экологически чистых материалов, минимизацию отходов и оптимизацию процессов строительства. Устойчивое проектирование направлено на создание комфортной и безопасной среды для жизни, а также на сохранение природных ресурсов.
При проектировании систем жилого дома необходимо учитывать не только технические характеристики, но и потребности жильцов. Важно проводить опросы и исследования, чтобы понять, какие системы и решения будут наиболее удобными и эффективными для будущих пользователей. Это позволит создать жилое пространство, которое будет отвечать современным требованиям и ожиданиям.
Инновационные технологии также играют важную роль в проектировании жилых домов. Использование 3D-моделирования, виртуальной реальности и других современных технологий позволяет более точно планировать и визуализировать проект. Это помогает избежать ошибок на этапе проектирования и сократить время на строительство.
В заключение, проектирование систем жилого дома — это комплексный процесс, который требует внимательного подхода и учета множества факторов. Технологические решения, применяемые в этом процессе, должны быть направлены на создание комфортного, безопасного и энергоэффективного жилья. Важно следить за новыми тенденциями и инновациями в области строительства и проектирования, чтобы обеспечить высокое качество жизни для будущих жильцов.
Проект организации строительства
Проектирование систем жилого дома является важным этапом в процессе его строительства. На этом этапе разрабатываются различные инженерные системы, которые обеспечивают комфортное и безопасное проживание людей. К основным системам, которые проектируются в жилом доме, относятся: водоснабжение, канализация, отопление, вентиляция, электроснабжение и системы безопасности.
1. Водоснабжение
Система водоснабжения жилого дома должна обеспечивать подачу холодной и горячей воды в необходимом объеме и с достаточным давлением. Проектирование этой системы начинается с анализа потребностей жильцов, а также с изучения источников водоснабжения. Важно учитывать:
- Расчет потребления воды на душ, умывальники, кухни и другие точки водоразбора;
- Определение необходимого давления воды в системе;
- Выбор трубопроводов и фитингов, которые будут использоваться для монтажа;
- Проектирование системы водоотведения и очистки сточных вод.
При проектировании водоснабжения также необходимо учитывать возможность подключения к централизованным системам или необходимость установки автономных систем, таких как скважины или колодцы.
2. Канализация
Канализационная система предназначена для отведения сточных вод из жилого дома. Проектирование этой системы включает в себя:
- Определение местоположения и глубины закладки канализационных труб;
- Выбор типа канализации: местная (автономная) или централизованная;
- Расчет диаметра труб в зависимости от объема сточных вод;
- Проектирование системы очистки сточных вод, если это необходимо.
Важно, чтобы система канализации была спроектирована с учетом всех санитарных норм и правил, чтобы избежать загрязнения окружающей среды и обеспечить комфорт жильцов.
3. Отопление
Система отопления обеспечивает поддержание комфортной температуры в помещениях жилого дома. Проектирование этой системы включает в себя:
- Определение типа отопления: центральное, автономное или комбинированное;
- Расчет теплопотерь здания для определения необходимой мощности отопительных приборов;
- Выбор радиаторов, котлов и других элементов системы;
- Проектирование системы управления отоплением, включая термостаты и автоматизацию.
При проектировании отопления также необходимо учитывать энергоэффективность системы и возможность использования альтернативных источников энергии, таких как солнечные панели или тепловые насосы.
4. Вентиляция
Система вентиляции обеспечивает приток свежего воздуха и удаление загрязненного воздуха из помещений. Проектирование вентиляции включает в себя:
- Определение необходимого объема воздуха для каждого помещения;
- Выбор типа вентиляции: естественная, механическая или комбинированная;
- Проектирование воздуховодов и вентиляционных решеток;
- Учет систем фильтрации и кондиционирования воздуха.
Эффективная система вентиляции способствует улучшению качества воздуха в помещениях и предотвращает возникновение плесени и грибка.
5. Электроснабжение
Система электроснабжения обеспечивает подачу электрической энергии в жилой дом для освещения, работы бытовых приборов и других нужд. Проектирование этой системы включает в себя:
- Определение потребности в электроэнергии на основе расчетов нагрузки;
- Выбор типа электроснабжения: однофазное или трехфазное;
- Проектирование распределительных щитов и электропроводки;
- Учет систем защиты от короткого замыкания и перегрузок.
Также важно предусмотреть возможность подключения к резервным источникам питания, таким как генераторы, для обеспечения бесперебойного электроснабжения в случае аварий.
6. Системы безопасности
Системы безопасности в жилом доме включают в себя охранные, противопожарные и системы видеонаблюдения. Проектирование этих систем требует особого внимания к деталям:
- Разработка плана размещения датчиков движения, камер видеонаблюдения и сигнализаций;
- Проектирование системы оповещения о пожаре, включая дымовые датчики и системы автоматического тушения;
- Учет доступа в здание, включая системы контроля доступа и видеодомофоны;
- Обеспечение защиты от взлома и других угроз.
Эффективные системы безопасности помогают защитить жильцов и имущество, а также минимизировать риски в случае чрезвычайных ситуаций.
7. Инженерные сети и коммуникации
Проектирование инженерных сетей и коммуникаций включает в себя интеграцию всех вышеупомянутых систем в единое целое. Это требует тщательной координации между различными проектировщиками и специалистами:
- Обеспечение совместимости всех систем и их эффективного взаимодействия;
- Проектирование общих трасс для прокладки трубопроводов и электропроводки;
- Учет требований по безопасности и доступности для обслуживания;
- Создание схемы управления всеми системами через единый интерфейс.
Правильная интеграция инженерных систем позволяет значительно повысить уровень комфорта и безопасности в жилом доме, а также снизить эксплуатационные расходы.
8. Энергоэффективность и устойчивое проектирование
Современные требования к проектированию жилых домов акцентируют внимание на энергоэффективности и устойчивом развитии. Это включает в себя:
- Использование энергоэффективных технологий и материалов;
- Проектирование систем, которые минимизируют потребление ресурсов;
- Учет возобновляемых источников энергии, таких как солнечные панели;
- Создание зеленых крыш и систем сбора дождевой воды.
Энергоэффективные решения не только снижают затраты на эксплуатацию, но и способствуют охране окружающей среды.
Таким образом, проектирование систем жилого дома — это комплексный процесс, который требует внимательного подхода и учета множества факторов. Каждая из систем играет важную роль в обеспечении комфортного и безопасного проживания, и их интеграция должна быть выполнена на высоком уровне.
Мероприятия по охране окружающей среды
Проектирование систем жилого дома является важным этапом, который требует внимательного подхода к охране окружающей среды. В современных условиях, когда экологические проблемы становятся все более актуальными, необходимо учитывать не только комфорт и безопасность жильцов, но и влияние зданий на окружающую среду. В этом контексте проектирование систем жилого дома должно включать в себя ряд мероприятий, направленных на минимизацию негативного воздействия на природу.
Одним из ключевых аспектов проектирования является энергетическая эффективность здания. Это включает в себя использование современных технологий и материалов, которые способствуют снижению потребления энергии. Например, применение энергосберегающих окон и утеплителей позволяет значительно уменьшить теплопотери, что, в свою очередь, снижает потребность в отоплении и кондиционировании.
Кроме того, важно учитывать источники энергии, используемые в жилом доме. Внедрение альтернативных источников, таких как солнечные панели или ветряные турбины, может существенно снизить углеродный след здания. Проектировщики должны рассмотреть возможность интеграции таких систем на этапе проектирования, чтобы обеспечить максимальную эффективность их работы.
Еще одним важным аспектом является водоотведение и водоснабжение. Проектирование систем водоснабжения должно включать в себя использование технологий, позволяющих минимизировать расход воды. Например, установка систем сбора дождевой воды и ее последующее использование для полива или технических нужд может значительно сократить потребление пресной воды. Также стоит рассмотреть возможность установки умных счетчиков, которые помогут контролировать расход воды и выявлять утечки.
Важным элементом проектирования является управление отходами. На этапе проектирования необходимо предусмотреть места для сбора и сортировки отходов, чтобы жильцы могли легко утилизировать мусор. Это может включать в себя создание контейнерных площадок для раздельного сбора вторичных материалов, таких как бумага, стекло и пластик.
Также стоит обратить внимание на озеленение территории вокруг жилого дома. Проектирование ландшафта должно включать в себя создание зеленых зон, которые не только улучшают внешний вид, но и способствуют улучшению качества воздуха. Использование местных растений, которые требуют меньше воды и ухода, поможет сохранить экосистему и снизить затраты на содержание территории.
Не менее важным является экологический мониторинг в процессе эксплуатации жилого дома. Проектировщики должны предусмотреть системы, которые позволят отслеживать состояние окружающей среды и влияние здания на нее. Это может включать в себя установку датчиков для контроля качества воздуха, уровня шума и других параметров.
Таким образом, проектирование систем жилого дома должно быть комплексным и учитывать множество факторов, связанных с охраной окружающей среды. Внедрение современных технологий и подходов позволит создать комфортное и безопасное жилье, которое будет минимально воздействовать на природу.
Важным аспектом проектирования является интеграция умных технологий в жилые дома. Умные системы управления, такие как автоматизация освещения, отопления и кондиционирования, позволяют значительно повысить уровень комфорта и снизить потребление ресурсов. Например, использование умных термостатов может помочь оптимизировать температурный режим в помещениях, что приводит к экономии энергии.
Также стоит обратить внимание на экологически чистые строительные материалы. При выборе материалов для строительства необходимо отдавать предпочтение тем, которые имеют низкий уровень токсичности и минимальное воздействие на окружающую среду. Это может включать в себя использование переработанных материалов, а также древесины, сертифицированной по стандартам устойчивого лесопользования.
Проектирование систем вентиляции также играет важную роль в обеспечении комфортного и здорового микроклимата в жилом доме. Энергоэффективные системы вентиляции с рекуперацией тепла позволяют не только поддерживать оптимальный уровень влажности и свежести воздуха, но и значительно снизить затраты на отопление. Важно предусмотреть возможность естественной вентиляции, что также способствует улучшению качества воздуха.
Необходимо также учитывать доступность и транспортную инфраструктуру. Проектирование жилого комплекса должно включать в себя удобные подъездные пути, а также доступ к общественному транспорту. Это поможет снизить зависимость жильцов от личного автотранспорта, что, в свою очередь, уменьшит уровень загрязнения воздуха и шумового загрязнения.
Важным элементом является социальная инфраструктура. Проектирование жилого дома должно учитывать наличие рядом образовательных учреждений, медицинских учреждений и мест для отдыха. Это способствует созданию комфортной городской среды и повышает качество жизни жильцов.
Не менее важным является участие сообщества в процессе проектирования. Вовлечение будущих жильцов и местных жителей в обсуждение проектных решений позволяет учесть их потребности и предпочтения, что способствует созданию более гармоничной и устойчивой городской среды.
В заключение, проектирование систем жилого дома должно быть направлено на создание устойчивых и экологически чистых решений, которые учитывают интересы как жильцов, так и окружающей среды. Внедрение современных технологий, использование экологически чистых материалов и активное участие сообщества в процессе проектирования помогут создать комфортное и безопасное жилье, которое будет способствовать улучшению качества жизни и охране окружающей среды.
Мероприятия по обеспечению пожарной безопасности
Проектирование систем жилого дома является важным этапом, который включает в себя множество аспектов, связанных с обеспечением пожарной безопасности. В процессе проектирования необходимо учитывать не только архитектурные и инженерные решения, но и требования нормативных документов, касающихся защиты от пожаров. Это позволит минимизировать риски возникновения пожаров и обеспечить безопасность жильцов.
Одним из ключевых элементов проектирования является разработка плана эвакуации. Он должен быть понятным и доступным для всех жильцов, а также учитывать различные сценарии возникновения пожара. Важно, чтобы пути эвакуации были свободны и не имели препятствий, а также чтобы на них были установлены соответствующие знаки и указатели.
Кроме того, необходимо предусмотреть системы автоматического пожаротушения, которые могут значительно снизить ущерб от пожара. Эти системы могут быть как водяными, так и порошковыми, в зависимости от типа здания и его назначения. Важно, чтобы проектировщики учитывали особенности каждого конкретного жилого дома, чтобы выбрать наиболее эффективное решение.
Также следует обратить внимание на системы оповещения о пожаре. Они должны быть установлены на каждом этаже и в общественных зонах, чтобы обеспечить быструю реакцию жильцов в случае возникновения чрезвычайной ситуации. Системы оповещения могут включать в себя как звуковые, так и визуальные сигналы, что особенно важно для людей с ограниченными возможностями.
При проектировании жилого дома необходимо учитывать материалы, используемые в строительстве. Они должны быть огнестойкими и соответствовать современным стандартам безопасности. Например, использование негорючих материалов для отделки и конструктивных элементов здания может значительно повысить его устойчивость к огню.
Не менее важным аспектом является обеспечение доступа к зданию для пожарных служб. Проектировщики должны предусмотреть удобные подъездные пути и места для парковки пожарной техники, а также обеспечить наличие необходимых гидрантов и других средств для тушения пожара.
В процессе проектирования также следует учитывать пожарные разрывы между зданиями, которые помогают предотвратить распространение огня. Эти разрывы должны быть достаточной ширины и свободны от каких-либо построек или других препятствий.
Кроме того, важно проводить регулярные проверки и тестирования всех систем пожарной безопасности. Это позволит выявить возможные недостатки и своевременно их устранить, что в свою очередь повысит уровень безопасности жильцов.
В заключение, проектирование систем жилого дома с учетом пожарной безопасности требует комплексного подхода и внимательного отношения к деталям. Каждый элемент, от планировки до выбора материалов, играет важную роль в создании безопасной среды для проживания.
Важным аспектом проектирования является обучение персонала и жильцов правилам пожарной безопасности. Необходимо организовать регулярные тренировки и семинары, на которых жильцы смогут ознакомиться с основными правилами поведения в случае пожара, а также с работой систем оповещения и эвакуации. Это поможет снизить уровень паники и повысить шансы на успешную эвакуацию в экстренной ситуации.
Также следует учитывать пожарные лестницы и выходы. Они должны быть спроектированы таким образом, чтобы обеспечить быструю и безопасную эвакуацию жильцов. Лестницы должны быть широкими, хорошо освещенными и иметь нескользящие поверхности. Выходы на улицу должны быть свободны от препятствий и обеспечивать доступ к безопасным зонам.
При проектировании систем жилого дома необходимо также учитывать пожарные двери. Они должны быть установлены на всех выходах из коридоров и лестничных клеток, чтобы предотвратить распространение огня и дыма. Пожарные двери должны быть сертифицированы и соответствовать установленным стандартам по огнестойкости.
Не менее важным является проектирование систем вентиляции. Они должны быть спроектированы так, чтобы в случае пожара предотвратить распространение дыма и токсичных газов по зданию. Важно, чтобы системы вентиляции имели возможность автоматического отключения в случае срабатывания сигнализации о пожаре.
При проектировании жилых зданий также следует учитывать размещение электрооборудования. Все электрические системы должны быть спроектированы с учетом требований безопасности, чтобы избежать коротких замыканий и перегрева. Необходимо использовать защитные устройства, такие как автоматические выключатели и предохранители, которые помогут предотвратить возникновение пожара.
Кроме того, важно предусмотреть пожарные щиты и огнетушители в доступных местах. Они должны быть легко видимыми и доступными для жильцов. Огнетушители должны соответствовать типу возможных возгораний в здании и регулярно проверяться на работоспособность.
В процессе проектирования также следует учитывать пожарные инспекции. Регулярные проверки со стороны пожарных служб помогут выявить недостатки в системах безопасности и своевременно их устранить. Это также позволит жильцам быть уверенными в том, что их дом соответствует всем требованиям безопасности.
Наконец, проектирование систем жилого дома должно учитывать инновационные технологии в области пожарной безопасности. Современные системы могут включать в себя интеллектуальные датчики, которые автоматически определяют наличие дыма и температуры, а также системы, которые могут уведомлять пожарные службы о возникновении пожара в режиме реального времени.
Таким образом, проектирование систем жилого дома с учетом всех аспектов пожарной безопасности является сложной, но необходимой задачей. Это требует комплексного подхода, внимательности к деталям и постоянного обновления знаний о современных технологиях и методах защиты от пожаров.
Требования к обеспечению безопасной эксплуатации объектов капитального строительства
Проектирование систем жилого дома является важным этапом в обеспечении безопасной эксплуатации объектов капитального строительства. На этом этапе необходимо учитывать множество факторов, которые влияют на безопасность, комфорт и функциональность жилого помещения. В данном разделе мы рассмотрим основные аспекты проектирования систем жилого дома, включая инженерные сети, системы безопасности и энергоэффективность.
Инженерные сети
Одним из ключевых элементов проектирования жилого дома являются инженерные сети, которые включают в себя:
- Системы водоснабжения и водоотведения: Проектирование должно учитывать не только потребности жильцов, но и требования к качеству воды, а также возможность подключения к централизованным системам.
- Отопление: Важно выбрать оптимальную систему отопления, которая обеспечит комфортную температуру в помещениях, а также будет экономически целесообразной.
- Электроснабжение: Проектирование электросетей должно учитывать потребности всех жильцов, а также обеспечивать безопасность и защиту от коротких замыканий.
- Вентиляция и кондиционирование: Необходимо предусмотреть системы, которые обеспечат качественный воздухообмен и комфортный микроклимат в помещениях.
Системы безопасности
Проектирование систем безопасности в жилом доме включает в себя:
- Пожарная безопасность: Необходимо предусмотреть системы автоматического пожаротушения, сигнализации и эвакуации, а также обеспечить доступ к пожарным гидрантам.
- Охрана: Проектирование должно включать системы видеонаблюдения, контроля доступа и сигнализации для защиты жильцов и их имущества.
- Эвакуационные пути: Важно правильно спроектировать пути эвакуации, чтобы они были безопасными и доступными в случае чрезвычайной ситуации.
Энергоэффективность
Современные требования к проектированию жилых домов также включают аспекты энергоэффективности:
- Изоляция: Необходимо использовать качественные теплоизоляционные материалы, чтобы снизить потери тепла и уменьшить затраты на отопление.
- Системы управления энергией: Проектирование должно предусматривать автоматизированные системы, которые помогут оптимизировать потребление энергии.
- Возобновляемые источники энергии: Важно рассмотреть возможность использования солнечных панелей или других альтернативных источников энергии для снижения зависимости от традиционных ресурсов.
Таким образом, проектирование систем жилого дома требует комплексного подхода и учета множества факторов, которые влияют на безопасность и комфорт жильцов. В следующих разделах мы подробнее рассмотрим каждый из этих аспектов, а также приведем примеры успешных проектов.
Проектирование систем освещения
Системы освещения играют важную роль в создании комфортной и безопасной среды в жилом доме. Проектирование освещения должно учитывать как функциональные, так и эстетические аспекты:
- Естественное освещение: Необходимо предусмотреть окна и другие элементы, которые обеспечат максимальное количество естественного света в помещениях. Это не только улучшает качество жизни, но и снижает потребление электроэнергии.
- Искусственное освещение: Проектирование должно включать различные типы освещения: общее, местное и акцентное. Важно правильно выбрать источники света, их мощность и расположение для достижения оптимального освещения.
- Энергоэффективные технологии: Использование светодиодов и других энергоэффективных технологий позволяет значительно сократить расходы на электроэнергию и продлить срок службы осветительных приборов.
Системы связи и интернета
В современном жилом доме важным аспектом является наличие современных систем связи и доступа в интернет. Проектирование должно учитывать:
- Проводные и беспроводные сети: Необходимо предусмотреть качественные решения для подключения к интернету, включая оптоволоконные линии и Wi-Fi сети, чтобы обеспечить стабильное соединение для всех жильцов.
- Системы домашней автоматизации: Проектирование должно включать возможность интеграции различных систем управления, таких как освещение, отопление и безопасность, в единую платформу для удобства пользователей.
Экологические аспекты проектирования
Современное проектирование жилых домов также должно учитывать экологические аспекты. Это включает в себя:
- Использование экологически чистых материалов: Важно выбирать строительные материалы, которые не наносят вреда окружающей среде и здоровью жильцов.
- Управление отходами: Проектирование должно предусматривать системы для сбора и переработки отходов, что способствует снижению негативного воздействия на природу.
- Зеленые зоны: Необходимо предусмотреть озеленение территории, что не только улучшает внешний вид, но и способствует улучшению микроклимата.
Заключение раздела
Проектирование систем жилого дома — это сложный и многогранный процесс, который требует учета множества факторов. От инженерных сетей до систем безопасности и энергоэффективности — все эти аспекты играют ключевую роль в создании безопасного и комфортного жилья. Важно, чтобы проектировщики работали в тесном сотрудничестве с другими специалистами, чтобы обеспечить интеграцию всех систем и соответствие современным требованиям и стандартам.
Мероприятия по обеспечению доступа инвалидов к объекту капитального строительства
Проектирование систем жилого дома с учетом потребностей инвалидов является важным аспектом, который требует особого внимания на всех этапах проектирования. Это включает в себя как архитектурные, так и инженерные решения, которые обеспечивают доступность и комфорт для людей с ограниченными возможностями. Важно учитывать, что доступность должна быть обеспечена не только в общественных зонах, но и в частных помещениях, таких как квартиры.
Первым шагом в проектировании является анализ потребностей целевой аудитории. Необходимо провести исследование, чтобы понять, какие именно ограничения могут испытывать инвалиды в повседневной жизни. Это может включать в себя физические ограничения, такие как передвижение на инвалидной коляске, а также сенсорные ограничения, такие как слабое зрение или слух. На основе этих данных разрабатываются рекомендации по проектированию.
Одним из ключевых аспектов проектирования является создание безбарьерной среды. Это подразумевает наличие широких дверных проемов, пандусов, лифтов и других элементов, которые облегчают передвижение. Например, ширина дверных проемов должна составлять не менее 90 см, чтобы обеспечить свободный проход инвалидной коляски. Пандусы должны иметь уклон не более 5%, а также быть оборудованы поручнями для дополнительной поддержки.
Кроме того, необходимо учитывать размещение элементов интерьера. Мебель должна быть расположена так, чтобы не создавать препятствий для передвижения. Важно также предусмотреть возможность установки специальных устройств, таких как подъемники или системы автоматизации, которые могут значительно облегчить жизнь людям с ограниченными возможностями.
Важным аспектом является также проектирование санитарных узлов. Ванные комнаты и туалеты должны быть оборудованы специальными поручнями, а также иметь достаточно пространства для маневрирования. Унитазы и раковины должны быть установлены на удобной высоте, чтобы их могли использовать люди с различными ограничениями.
При проектировании жилых помещений также следует учитывать освещение и цветовую гамму. Яркое и равномерное освещение поможет людям с нарушениями зрения ориентироваться в пространстве. Использование контрастных цветов для отделки стен и полов может помочь в визуальной ориентации и улучшить восприятие пространства.
Не менее важным является проектирование систем безопасности. Это включает в себя установку сигнализации, которая будет доступна для людей с нарушениями слуха, а также системы видеонаблюдения, которые помогут обеспечить безопасность жильцов. Важно также предусмотреть наличие аварийных выходов, которые будут доступны для всех категорий граждан.
В процессе проектирования необходимо также учитывать требования законодательства и стандартов, касающихся доступности для инвалидов. В большинстве стран существуют специальные нормы, которые регулируют проектирование объектов капитального строительства с учетом потребностей людей с ограниченными возможностями. Эти нормы могут варьироваться в зависимости от региона, поэтому важно быть в курсе актуальных требований.
В заключение, проектирование систем жилого дома с учетом потребностей инвалидов требует комплексного подхода и внимательного отношения к деталям. Это не только улучшает качество жизни людей с ограниченными возможностями, но и создает более инклюзивное общество, где каждый человек может чувствовать себя комфортно и безопасно.
Следующим важным аспектом проектирования является интеграция технологий умного дома. Эти технологии могут значительно улучшить качество жизни людей с ограниченными возможностями. Например, системы автоматизации могут управлять освещением, отоплением и даже дверями с помощью голосовых команд или мобильных приложений. Это позволяет инвалидам, особенно тем, кто имеет ограниченные физические возможности, управлять своим пространством более эффективно и независимо.
Также стоит обратить внимание на проектирование общественных зон жилого дома. Лифты должны быть оборудованы кнопками с тактильными обозначениями и голосовыми подсказками, чтобы облегчить их использование для людей с нарушениями слуха и зрения. Коридоры и лестничные клетки должны быть достаточно широкими и освещенными, чтобы обеспечить безопасное передвижение.
При проектировании парковочных мест необходимо предусмотреть специальные места для инвалидов, которые должны находиться как можно ближе к входу в здание. Эти места должны быть достаточно широкими, чтобы обеспечить удобный доступ к автомобилю и возможность маневрирования для людей на колясках.
Необходимо также учитывать возможность создания зеленых зон и мест для отдыха, которые будут доступны для всех жильцов, включая людей с ограниченными возможностями. Такие зоны могут включать в себя специальные дорожки для передвижения на колясках, скамейки с удобным доступом и элементы ландшафтного дизайна, которые будут способствовать созданию комфортной и безопасной среды.
Важным аспектом является также обучение персонала, который будет обслуживать жилой дом. Это касается как управляющих компаний, так и работников, занимающихся уборкой и обслуживанием. Они должны быть осведомлены о потребностях людей с ограниченными возможностями и уметь предоставлять необходимую помощь в случае необходимости.
Кроме того, стоит рассмотреть возможность создания системы обратной связи для жильцов. Это может быть как электронная платформа, так и традиционные методы, такие как анкеты или собрания. Важно, чтобы жильцы могли делиться своими мнениями и предложениями по улучшению доступности и комфорта в жилом доме.
В заключение, проектирование систем жилого дома с учетом потребностей инвалидов требует комплексного подхода, который включает в себя архитектурные, инженерные и социальные аспекты. Это не только улучшает качество жизни людей с ограниченными возможностями, но и создает более инклюзивное общество, где каждый человек может чувствовать себя комфортно и безопасно. Важно помнить, что доступность — это не только соблюдение норм и стандартов, но и создание среды, в которой каждый человек может реализовать свой потенциал и жить полноценной жизнью.
Смета на строительство, реконструкцию, капитальный ремонт, снос объекта капитального строительства
Проектирование систем жилого дома является важным этапом в процессе строительства, реконструкции и капитального ремонта. На этом этапе разрабатываются все необходимые инженерные системы, которые обеспечивают комфортное и безопасное проживание. К основным системам, которые проектируются, относятся:
- Системы водоснабжения и водоотведения
- Отопление
- Электроснабжение
- Вентиляция и кондиционирование
- Системы безопасности
Каждая из этих систем требует тщательного проектирования, чтобы обеспечить их эффективное функционирование и соответствие современным стандартам.
Системы водоснабжения и водоотведения
Проектирование систем водоснабжения включает в себя:
- Определение источника водоснабжения (централизованный или автономный).
- Расчет необходимого объема воды для жилого дома.
- Выбор трубопроводов и арматуры, соответствующих требованиям.
- Проектирование системы водоотведения, включая сточные трубы и очистные сооружения.
Важно учитывать не только потребности жильцов, но и возможные изменения в будущем, такие как увеличение числа проживающих.
Отопление
Системы отопления проектируются с учетом климатических условий региона и архитектурных особенностей здания. Основные этапы проектирования:
- Расчет тепловых потерь здания.
- Выбор типа отопительной системы (централизованное или автономное отопление).
- Определение необходимого оборудования (котлы, радиаторы, теплые полы).
- Проектирование системы управления отоплением.
Эффективная система отопления обеспечивает комфортную температуру в помещениях и экономию энергоресурсов.
Электроснабжение
Проектирование электроснабжения включает в себя:
- Определение потребностей в электроэнергии для всех систем и оборудования.
- Выбор типа электросети (однофазная или трехфазная).
- Проектирование распределительных щитов и электропроводки.
- Установка систем защиты от перегрузок и коротких замыканий.
Качественное проектирование электроснабжения обеспечивает надежность и безопасность электрических систем в жилом доме.
Вентиляция и кондиционирование
Системы вентиляции и кондиционирования проектируются для обеспечения свежего воздуха и комфортной температуры в помещениях. Основные аспекты проектирования:
- Определение необходимого объема воздуха для вентиляции.
- Выбор типа вентиляционной системы (принудительная или естественная).
- Проектирование системы кондиционирования, включая выбор оборудования.
- Учет санитарных норм и требований к качеству воздуха.
Эффективные системы вентиляции и кондиционирования способствуют созданию здоровой и комфортной атмосферы в жилом доме.
Системы безопасности
Проектирование систем безопасности включает в себя:
- Разработку системы видеонаблюдения.
- Установку сигнализации и контроля доступа.
- Проектирование системы пожарной безопасности.
- Обеспечение защиты от внешних угроз.
Системы безопасности играют ключевую роль в защите жильцов и имущества, обеспечивая спокойствие и уверенность в безопасности.
Проектирование систем автоматизации
Современные жилые дома все чаще оснащаются системами автоматизации, которые позволяют управлять различными инженерными системами через единый интерфейс. Проектирование таких систем включает в себя:
- Определение функциональных требований к системе автоматизации.
- Выбор оборудования и программного обеспечения для управления системами.
- Проектирование интерфейса пользователя для удобного управления.
- Интеграция с существующими системами (освещение, отопление, безопасность).
Системы автоматизации повышают уровень комфорта и безопасности, позволяя жильцам управлять домом удаленно и эффективно.
Энергоэффективность и устойчивое проектирование
В последние годы особое внимание уделяется энергоэффективности зданий. Проектирование систем жилого дома должно учитывать:
- Использование энергоэффективных технологий и материалов.
- Оптимизацию потребления энергии для отопления, охлаждения и освещения.
- Внедрение возобновляемых источников энергии (солнечные панели, ветряные турбины).
- Системы рекуперации тепла для повышения общей эффективности.
Энергоэффективные решения не только снижают эксплуатационные расходы, но и способствуют охране окружающей среды.
Согласование проектной документации
После завершения проектирования всех систем необходимо пройти этап согласования проектной документации. Этот процесс включает в себя:
- Подготовку всех необходимых документов для подачи в органы местного самоуправления.
- Согласование проектных решений с контролирующими органами и службами.
- Получение разрешений на строительство и эксплуатацию систем.
- Учет замечаний и рекомендаций, полученных в ходе согласования.
Согласование проектной документации является важным этапом, который обеспечивает законность и безопасность строительства.
Монтаж и наладка систем
После получения всех необходимых разрешений начинается этап монтажа и наладки систем. Этот процесс включает в себя:
- Подбор квалифицированных специалистов для выполнения монтажных работ.
- Контроль за качеством выполнения работ и соблюдением проектных решений.
- Проведение испытаний и наладки всех систем для обеспечения их корректной работы.
- Обучение персонала и жильцов правилам эксплуатации систем.
Качественный монтаж и наладка систем являются залогом их надежной и эффективной работы в будущем.
Эксплуатация и обслуживание систем
После завершения строительства и ввода в эксплуатацию жилого дома важным аспектом является регулярное обслуживание всех инженерных систем. Это включает в себя:
- Плановое техническое обслуживание и профилактика систем.
- Мониторинг состояния оборудования и систем.
- Ремонт и замена вышедших из строя элементов.
- Обучение жильцов основам эксплуатации систем для повышения их безопасности.
Регулярное обслуживание позволяет продлить срок службы систем и обеспечить их эффективное функционирование.


















