Дисциплина архитектурное проектирование
Дисциплина архитектурное проектирование
В современном строительстве важным аспектом является соблюдение нормативных актов, регулирующих процесс проектирования. Одним из таких документов является 87 постановление правительства, которое определяет основные принципы и требования к строительному проектированию. В данной статье мы рассмотрим, как это постановление влияет на дисциплину архитектурного проектирования, а также какие ключевые моменты необходимо учитывать при разработке архитектурных проектов.
Статья включает в себя следующие разделы:
- Общие положения 87 постановления
- Требования к архитектурным проектам
- Процесс согласования и экспертизы
- Роль архитекторов в соблюдении норм
- Примеры успешных проектов
Мы надеемся, что данная информация будет полезна как профессиональным архитекторам, так и студентам, изучающим дисциплину архитектурного проектирования.
Согласно 87 ПП (87 постановление правительства)
Дисциплина архитектурного проектирования является важным аспектом в сфере градостроительства и архитектуры. Она охватывает множество аспектов, включая соблюдение норм и стандартов, а также применение современных технологий и методов проектирования. В соответствии с 87 постановлением правительства, архитектурное проектирование должно соответствовать определённым требованиям, которые обеспечивают качество и безопасность зданий и сооружений.
Одним из ключевых элементов дисциплины является соблюдение норм и стандартов. Это включает в себя:
- Соблюдение строительных норм и правил (СНиП), которые регламентируют проектирование и строительство объектов.
- Учет санитарных норм, обеспечивающих здоровье и безопасность пользователей зданий.
- Соблюдение норм по охране окружающей среды, что включает в себя минимизацию негативного воздействия на природу.
Кроме того, важным аспектом является инновационное проектирование. В последние годы наблюдается активное внедрение новых технологий, таких как:
- Использование программного обеспечения для 3D-моделирования, что позволяет более точно визуализировать проект.
- Применение BIM-технологий (Building Information Modeling), которые обеспечивают интеграцию всех данных о проекте в единую модель.
- Использование устойчивых и экологически чистых материалов, что способствует созданию энергоэффективных зданий.
Важным аспектом дисциплины является организация проектного процесса. Это включает в себя:
- Четкое распределение ролей и обязанностей среди участников проектирования.
- Проведение регулярных совещаний для обсуждения хода выполнения проекта и решения возникающих проблем.
- Соблюдение сроков выполнения работ, что является критически важным для успешного завершения проекта.
Также стоит отметить, что дисциплина архитектурного проектирования требует постоянного обучения и повышения квалификации специалистов. Это связано с тем, что:
- Технологии и методы проектирования постоянно развиваются, и архитекторы должны быть в курсе последних тенденций.
- Законодательство в области строительства и архитектуры также подвержено изменениям, что требует от специалистов актуальных знаний.
- Участие в семинарах и конференциях позволяет обмениваться опытом и находить новые решения для сложных задач.
Таким образом, дисциплина архитектурного проектирования охватывает широкий спектр вопросов, связанных с качеством, безопасностью и инновациями в строительстве. Соблюдение норм и стандартов, применение новых технологий и организация проектного процесса являются основными аспектами, которые способствуют успешному выполнению архитектурных проектов.
Важным аспектом дисциплины архитектурного проектирования является учет мнения заинтересованных сторон. Это включает в себя:
- Взаимодействие с заказчиками, которые могут иметь специфические требования и пожелания к проекту.
- Учет мнения местных жителей и общественных организаций, что позволяет избежать конфликтов и повысить общественное одобрение проекта.
- Согласование с государственными органами, что является обязательным этапом для получения разрешений на строительство.
Также следует отметить, что дисциплина архитектурного проектирования требует применения интердисциплинарного подхода. Это означает, что архитекторы должны взаимодействовать с различными специалистами, такими как:
- Инженеры, которые занимаются расчетами и проектированием конструктивных элементов.
- Дизайнеры, которые отвечают за эстетическую составляющую проекта.
- Экологи, которые помогают оценить влияние проекта на окружающую среду.
Такой подход позволяет создать более гармоничные и функциональные объекты, которые отвечают всем требованиям и ожиданиям. Важно, чтобы все участники проектирования работали в едином ключе, что способствует более эффективному решению задач.
Не менее важным является анализ рисков в процессе проектирования. Архитекторы должны уметь предвидеть возможные проблемы и разрабатывать стратегии их минимизации. Это включает в себя:
- Оценку потенциальных рисков, связанных с проектированием и строительством.
- Разработку планов действий на случай возникновения непредвиденных обстоятельств.
- Проведение регулярных проверок и мониторинга на всех этапах реализации проекта.
Важным элементом является обратная связь после завершения проекта. Это позволяет оценить, насколько успешно были реализованы поставленные задачи и какие аспекты можно улучшить в будущем. Обратная связь может включать:
- Опросы пользователей зданий и сооружений о их удовлетворенности.
- Анализ эксплуатационных характеристик объектов.
- Обсуждение с командой проекта о том, что сработало хорошо, а что можно было бы сделать иначе.
Таким образом, дисциплина архитектурного проектирования охватывает множество аспектов, которые необходимо учитывать для успешной реализации проектов. Учет мнения заинтересованных сторон, применение интердисциплинарного подхода, анализ рисков и получение обратной связи — все это способствует созданию качественных и безопасных объектов, которые отвечают современным требованиям и ожиданиям общества.
Пояснительная записка
Дисциплина архитектурное проектирование охватывает широкий спектр знаний и навыков, необходимых для создания функциональных, эстетически привлекательных и безопасных зданий и сооружений. В рамках этой дисциплины студенты изучают как теоретические, так и практические аспекты проектирования, включая основы архитектурного мышления, методы проектирования, а также современные технологии и материалы.
Одним из ключевых аспектов архитектурного проектирования является понимание контекста, в котором будет реализован проект. Это включает в себя анализ окружающей среды, культурных и исторических особенностей местности, а также социальных и экономических факторов. Архитекторы должны учитывать не только физические характеристики участка, но и потребности будущих пользователей, что требует глубокого анализа и исследования.
Важным этапом в процессе проектирования является разработка концепции. Концепция представляет собой общее видение проекта, которое определяет его основные характеристики и цели. На этом этапе архитекторы формируют идеи, которые затем будут развиваться в более детализированные решения. Концепция может включать в себя как функциональные, так и эстетические аспекты, а также учитывать устойчивость и экологические требования.
После разработки концепции начинается этап проектирования, который включает в себя создание эскизов, чертежей и моделей. Архитекторы используют различные инструменты и технологии, такие как компьютерное моделирование и 3D-визуализация, чтобы представить свои идеи в наглядной форме. Этот этап требует высокой степени точности и внимания к деталям, так как любые ошибки могут привести к серьезным последствиям на более поздних стадиях реализации проекта.
В процессе проектирования также важно учитывать строительные нормы и правила, которые регулируют архитектурную деятельность. Эти нормы определяют требования к безопасности, доступности, устойчивости и другим аспектам, которые должны быть соблюдены при проектировании зданий. Архитекторы должны быть хорошо осведомлены о действующих законодательных актах и стандартах, чтобы избежать юридических проблем и обеспечить безопасность пользователей.
Кроме того, архитектурное проектирование включает в себя взаимодействие с различными специалистами, такими как инженеры, дизайнеры интерьеров и ландшафтные архитекторы. Командная работа и эффективная коммуникация являются ключевыми факторами успешного завершения проекта. Архитекторы должны уметь работать в команде, делиться своими идеями и учитывать мнения других специалистов, чтобы достичь наилучшего результата.
Современные технологии также играют важную роль в архитектурном проектировании. Использование программного обеспечения для проектирования, таких как CAD и BIM, позволяет архитекторам создавать более точные и детализированные проекты, а также упрощает процесс внесения изменений и корректировок. Эти технологии способствуют повышению эффективности работы и сокращению времени, необходимого для завершения проекта.
В заключение, дисциплина архитектурное проектирование представляет собой сложный и многогранный процесс, который требует от специалистов не только творческого подхода, но и глубоких знаний в различных областях. Успешное проектирование зданий и сооружений возможно только при условии комплексного подхода, учитывающего все аспекты, от концепции до реализации.
Одним из важных аспектов архитектурного проектирования является устойчивое развитие. Архитекторы все чаще сталкиваются с необходимостью учитывать экологические факторы и разрабатывать проекты, которые минимизируют негативное воздействие на окружающую среду. Это включает в себя использование экологически чистых материалов, внедрение энергосберегающих технологий и проектирование зданий, которые могут адаптироваться к изменяющимся климатическим условиям.
Устойчивое проектирование также подразумевает создание пространств, которые способствуют здоровью и благополучию пользователей. Архитекторы должны учитывать такие аспекты, как естественное освещение, вентиляция и акустика, чтобы обеспечить комфортные условия для жизни и работы. В последние годы наблюдается рост интереса к биофильному дизайну, который включает в себя элементы природы в архитектурные решения, что способствует улучшению психоэмоционального состояния людей.
Важным этапом в процессе архитектурного проектирования является также взаимодействие с клиентами и заинтересованными сторонами. Архитекторы должны уметь слушать и понимать потребности своих клиентов, а также эффективно представлять свои идеи. Это требует не только технических навыков, но и развитых коммуникативных способностей. Успешное взаимодействие с клиентами может значительно повысить качество конечного продукта и удовлетворенность пользователей.
Процесс проектирования также включает в себя этапы рецензирования и корректировки. После создания первоначальных концепций и чертежей, архитекторы часто проводят презентации для клиентов и других заинтересованных сторон, чтобы получить обратную связь. Это позволяет выявить возможные недостатки и внести необходимые изменения до начала строительных работ. Такой подход помогает избежать дорогостоящих исправлений на более поздних стадиях проекта.
Кроме того, архитектурное проектирование требует постоянного обучения и профессионального развития. Архитекторы должны быть в курсе последних тенденций, технологий и материалов, чтобы оставаться конкурентоспособными на рынке. Участие в семинарах, конференциях и специализированных курсах позволяет специалистам расширять свои знания и навыки, а также обмениваться опытом с коллегами.
Важным аспектом является и этика в архитектурном проектировании. Архитекторы должны учитывать не только интересы своих клиентов, но и общественные и экологические последствия своих решений. Этические нормы и принципы должны быть основой для всех этапов проектирования, начиная от концепции и заканчивая реализацией. Это включает в себя ответственность за безопасность и здоровье пользователей, а также уважение к культурному наследию и окружающей среде.
Таким образом, архитектурное проектирование представляет собой сложный и многогранный процесс, который требует от специалистов не только творческого подхода, но и глубоких знаний в различных областях. Успешное проектирование зданий и сооружений возможно только при условии комплексного подхода, учитывающего все аспекты, от концепции до реализации. Важно помнить, что архитектура — это не только создание красивых форм, но и решение социальных, экономических и экологических задач, что делает эту дисциплину особенно актуальной в современном мире.
Схема планировочной организации земельного участка
Схема планировочной организации земельного участка является важным элементом архитектурного проектирования, так как она определяет функциональное использование пространства, его эстетические качества и взаимодействие с окружающей средой. В процессе разработки схемы необходимо учитывать множество факторов, таких как рельеф местности, климатические условия, существующая инфраструктура и требования к зонированию.
Первым шагом в создании схемы планировочной организации является анализ участка. Это включает в себя изучение его размеров, формы, а также особенностей ландшафта. Важно определить, какие части участка могут быть использованы для строительства, а какие должны остаться свободными для озеленения или других нужд. Также следует учитывать наличие природных ресурсов, таких как водоемы, деревья и другие элементы, которые могут повлиять на проект.
После анализа участка следует перейти к разработке концепции планировочной организации. На этом этапе важно определить основные функциональные зоны, такие как жилые, коммерческие, рекреационные и общественные пространства. Каждая из этих зон должна быть спроектирована с учетом удобства и безопасности пользователей. Например, жилые зоны должны быть расположены вдали от шумных дорог и промышленных объектов, в то время как коммерческие зоны могут находиться ближе к транспортным артериям для удобства доступа.
При проектировании схемы также необходимо учитывать принципы устойчивого развития. Это включает в себя использование экологически чистых материалов, эффективное использование энергии и воды, а также создание комфортной городской среды. Например, можно предусмотреть зеленые насаждения, которые будут способствовать улучшению качества воздуха и созданию приятного микроклимата.
Важным аспектом является также транспортная доступность участка. Необходимо продумать, как будут организованы дороги, пешеходные и велосипедные дорожки, а также парковочные места. Хорошо спроектированная транспортная инфраструктура способствует снижению заторов и повышению безопасности на территории.
Кроме того, следует учитывать социальные аспекты проектирования. Важно создать пространство, которое будет способствовать взаимодействию между людьми, обеспечивать доступность для всех групп населения, включая людей с ограниченными возможностями. Это может включать в себя создание общественных площадей, детских и спортивных площадок, а также мест для отдыха и общения.
На этапе разработки схемы планировочной организации также необходимо учитывать законодательные и нормативные требования. Это включает в себя соблюдение градостроительных норм, санитарных правил и других регуляций, которые могут повлиять на проект. Важно заранее ознакомиться с местными правилами зонирования и получить все необходимые разрешения.
В заключение, схема планировочной организации земельного участка является комплексным документом, который требует внимательного подхода и учета множества факторов. Она должна быть разработана с учетом потребностей пользователей, особенностей участка и требований законодательства, что позволит создать функциональное и комфортное пространство для жизни и работы.
Следующим этапом в разработке схемы планировочной организации является создание предварительных эскизов и планов. На этом этапе архитекторы и проектировщики могут использовать различные методы визуализации, такие как 2D и 3D моделирование, чтобы представить, как будет выглядеть участок после завершения строительства. Это позволяет не только увидеть конечный результат, но и выявить возможные проблемы на ранних стадиях проектирования.
Визуализация помогает в принятии решений о размещении зданий, дорожной сети и зеленых зон. Например, 3D модели могут продемонстрировать, как здания будут взаимодействовать друг с другом и с окружающей средой, а также как они будут выглядеть с разных точек зрения. Это особенно важно для оценки визуального воздействия на соседние участки и общественные пространства.
После создания предварительных эскизов следует провести обсуждение с заинтересованными сторонами, включая местные власти, будущих пользователей и жителей района. Обратная связь на этом этапе может быть очень полезной для корректировки проекта и учета мнений различных групп. Это также способствует повышению общественного одобрения и снижению вероятности конфликтов в будущем.
На основе полученной информации и замечаний необходимо внести изменения в проект. Это может включать в себя переработку функциональных зон, изменение планировки дорожной сети или добавление новых элементов, таких как площадки для отдыха или спортивные сооружения. Важно, чтобы все изменения были согласованы с общими целями проектирования и принципами устойчивого развития.
После окончательной доработки схемы планировочной организации следует подготовить техническую документацию. Это включает в себя детализированные планы, спецификации и описания всех элементов проекта. Техническая документация необходима для получения разрешений на строительство и для дальнейшего выполнения работ. Она также служит основой для сметного расчета и планирования бюджета.
В процессе реализации проекта важно обеспечить контроль за соблюдением всех норм и стандартов. Это включает в себя регулярные проверки на соответствие проектной документации, а также мониторинг качества выполняемых работ. В случае выявления отклонений необходимо оперативно принимать меры для их устранения.
После завершения строительства и ввода объекта в эксплуатацию следует провести оценку эффективности реализованного проекта. Это может включать в себя анализ использования пространства, удовлетворенности пользователей и воздействия на окружающую среду. Полученные данные могут быть использованы для улучшения будущих проектов и повышения качества архитектурного проектирования в целом.
Таким образом, схема планировочной организации земельного участка является неотъемлемой частью архитектурного проектирования, которая требует комплексного подхода и учета множества факторов. От тщательного анализа участка до оценки результатов реализации проекта — каждый этап играет важную роль в создании функционального и комфортного пространства.
Объемно-планировочные и архитектурные решения
Объемно-планировочные и архитектурные решения в дисциплине архитектурного проектирования представляют собой ключевые аспекты, определяющие функциональность, эстетическую привлекательность и устойчивость зданий и сооружений. Эти решения формируют основу для создания комфортной и безопасной городской среды, а также влияют на восприятие архитектурного объекта в контексте окружающего пространства.
В процессе архитектурного проектирования объемно-планировочные решения включают в себя разработку общей конфигурации здания, его высотности, пропорций и взаимосвязей с окружающей средой. Архитекторы должны учитывать не только функциональные требования, но и эстетические, культурные и экологические аспекты. Важно, чтобы здание гармонично вписывалось в ландшафт и соответствовало характеру местности.
Основные этапы разработки объемно-планировочных решений:
- Анализ участка: Изучение географических, климатических и культурных особенностей местности, где планируется строительство. Это включает в себя оценку рельефа, существующей застройки, инфраструктуры и природных ресурсов.
- Функциональное зонирование: Определение зон внутри здания, таких как жилые, общественные, технические и вспомогательные помещения. Это позволяет оптимально организовать пространство и обеспечить удобство для пользователей.
- Разработка концепции: Создание общей идеи архитектурного объекта, которая будет отражать его назначение и характер. Концепция должна учитывать как внутренние, так и внешние аспекты здания.
- Создание объемно-пространственной модели: Формирование трехмерной модели здания, которая позволяет визуализировать его объем, пропорции и взаимосвязи с окружающей средой.
- Эстетическое оформление: Разработка фасадов, выбор материалов и цветовых решений, которые будут использоваться в отделке здания. Эстетика играет важную роль в восприятии архитектурного объекта.
Архитектурные решения, в свою очередь, охватывают более широкий спектр вопросов, включая выбор стиля, материалов, технологий строительства и инженерных систем. Архитекторы должны учитывать не только современные тенденции, но и традиции, которые могут быть важны для конкретного региона или сообщества.
Ключевые аспекты архитектурных решений:
- Стиль и концепция: Определение архитектурного стиля, который будет использоваться в проекте, а также разработка концепции, отражающей уникальность объекта.
- Материалы: Выбор строительных материалов, которые будут использоваться в проекте, с учетом их прочности, долговечности и эстетических качеств.
- Инженерные системы: Проектирование систем отопления, вентиляции, кондиционирования, водоснабжения и электроснабжения, которые обеспечат комфортные условия для пользователей.
- Экологические аспекты: Учет экологических требований и принципов устойчивого развития, таких как использование возобновляемых источников энергии и минимизация воздействия на окружающую среду.
Таким образом, объемно-планировочные и архитектурные решения являются неотъемлемой частью процесса архитектурного проектирования, требуя от специалистов глубоких знаний и творческого подхода. Эти решения не только определяют внешний вид зданий, но и влияют на качество жизни людей, которые будут их использовать.
Важным аспектом объемно-планировочных и архитектурных решений является интеграция зданий в существующую городскую структуру. Архитекторы должны учитывать не только физические характеристики участка, но и социальные, экономические и культурные факторы, которые могут повлиять на проект. Это требует от них способности к междисциплинарному подходу, где взаимодействие с городскими планировщиками, экологами и социологами становится необходимым.
Интеграция в городскую среду:
- Контекстуальность: Здание должно быть не просто отдельным объектом, а частью более широкой городской ткани. Это включает в себя анализ соседних зданий, улиц и общественных пространств, чтобы создать гармоничное взаимодействие.
- Доступность: Проектирование должно учитывать удобство доступа к зданию для всех категорий пользователей, включая людей с ограниченными возможностями. Это может включать в себя создание пешеходных маршрутов, удобных подъездов и парковок.
- Общественные пространства: Важно предусмотреть создание общественных пространств, таких как площади, парки и зоны отдыха, которые будут способствовать социальной активности и взаимодействию между людьми.
Кроме того, архитектурные решения должны учитывать современные технологии и инновации, которые могут значительно улучшить функциональность и устойчивость зданий. Использование современных строительных материалов и технологий, таких как модульное строительство, 3D-печать и умные системы управления, открывает новые горизонты для архитекторов.
Современные технологии в архитектуре:
- Умные здания: Интеграция технологий «умного дома» позволяет управлять системами освещения, отопления и безопасности через мобильные приложения, что повышает комфорт и безопасность пользователей.
- Энергоэффективность: Применение технологий, направленных на снижение потребления энергии, таких как солнечные панели, системы рекуперации тепла и высокоэффективные изоляционные материалы, становится стандартом в современном строительстве.
- Экологические технологии: Использование экологически чистых материалов и технологий, таких как сбор дождевой воды и системы очистки сточных вод, способствует снижению негативного воздействия на окружающую среду.
Важным аспектом является также соблюдение норм и стандартов, которые регулируют архитектурное проектирование. Это включает в себя как строительные нормы, так и требования к безопасности, доступности и устойчивости зданий. Архитекторы должны быть в курсе актуальных изменений в законодательстве и стандартов, чтобы их проекты соответствовали всем требованиям.
Нормативные требования:
- Строительные нормы: Соблюдение местных и национальных строительных норм и правил, которые определяют требования к безопасности, прочности и устойчивости зданий.
- Доступность: Учет норм, касающихся доступности для людей с ограниченными возможностями, что включает в себя проектирование пандусов, лифтов и других вспомогательных средств.
- Экологические стандарты: Соблюдение стандартов, направленных на защиту окружающей среды, таких как минимизация выбросов и использование устойчивых материалов.
Таким образом, объемно-планировочные и архитектурные решения в архитектурном проектировании требуют комплексного подхода, который учитывает множество факторов. Это не только технические и эстетические аспекты, но и социальные, экономические и экологические условия, которые влияют на создание качественной и устойчивой городской среды.
Конструктивные решения
В процессе архитектурного проектирования конструктивные решения играют ключевую роль, так как они определяют не только эстетические качества здания, но и его функциональность, безопасность и долговечность. Конструктивные решения включают в себя выбор материалов, технологий и методов строительства, которые должны соответствовать требованиям проекта и условиям эксплуатации.
Одним из первых этапов разработки конструктивных решений является анализ проектируемого объекта. На этом этапе архитекторы и инженеры должны учитывать множество факторов, таких как:
- Функциональное назначение здания. Разные типы зданий требуют различных конструктивных подходов. Например, жилые дома, офисные здания и промышленные сооружения имеют свои особенности, которые необходимо учитывать при проектировании.
- Климатические условия. Влияние климата на конструкцию здания может быть значительным. В регионах с холодным климатом необходимо предусмотреть теплоизоляцию, а в зонах с высокой сейсмической активностью — усиление конструкций.
- Геологические условия. Характеристики грунта и наличие подземных вод также влияют на выбор конструктивных решений. Например, для зданий на слабых грунтах могут потребоваться специальные фундаменты.
- Экономические факторы. Бюджет проекта определяет выбор материалов и технологий. Важно найти баланс между качеством и стоимостью, чтобы обеспечить оптимальное решение.
После анализа всех этих факторов начинается процесс выбора конструктивной системы. Существует несколько основных типов конструктивных систем, которые могут быть использованы в архитектурном проектировании:
- Каркасные системы. Они представляют собой конструкции, состоящие из вертикальных и горизонтальных элементов, которые образуют каркас здания. Этот тип системы позволяет создавать большие открытые пространства и гибко планировать внутренние помещения.
- Монолитные конструкции. В этом случае здание изготавливается из железобетона, который заливается в опалубку на месте. Монолитные конструкции обеспечивают высокую прочность и устойчивость к внешним воздействиям.
- Сборные конструкции. Они состоят из заранее изготовленных элементов, которые собираются на строительной площадке. Этот метод позволяет сократить время строительства и снизить затраты.
- Каменные и кирпичные конструкции. Эти традиционные методы строительства используются для создания прочных и долговечных зданий. Они требуют тщательного проектирования и учета всех нагрузок.
Каждый из этих типов конструктивных систем имеет свои преимущества и недостатки, и выбор конкретного решения зависит от множества факторов, включая требования заказчика, архитектурные замыслы и условия строительства.
Важным аспектом конструктивных решений является также выбор материалов. Современные технологии предлагают широкий ассортимент строительных материалов, каждый из которых имеет свои характеристики и области применения. Например, использование легких и прочных материалов, таких как сталь и алюминий, позволяет создавать более тонкие и легкие конструкции, в то время как традиционные материалы, такие как бетон и кирпич, обеспечивают высокую прочность и долговечность.
Кроме того, необходимо учитывать экологические аспекты при выборе материалов. Устойчивое строительство становится все более актуальным, и архитекторы должны стремиться к использованию экологически чистых и перерабатываемых материалов, а также к минимизации отходов в процессе строительства.
На этапе проектирования также важно учитывать вопросы энергоэффективности. Современные здания должны быть не только красивыми и функциональными, но и экономичными в эксплуатации. Это включает в себя использование энергоэффективных технологий, таких как системы отопления, вентиляции и кондиционирования, а также применение солнечных панелей и других источников возобновляемой энергии.
Таким образом, конструктивные решения в архитектурном проектировании требуют комплексного подхода и учета множества факторов. Каждый проект уникален, и успешное решение зависит от грамотного сочетания всех элементов — от выбора конструктивной системы до использования современных технологий и материалов.
При разработке конструктивных решений также необходимо учитывать вопросы безопасности. Архитекторы и инженеры должны предусмотреть защиту здания от различных внешних воздействий, таких как землетрясения, ураганы, наводнения и другие природные катастрофы. Это требует применения специальных технологий и материалов, а также тщательного расчета нагрузок и устойчивости конструкций.
Одним из важных аспектов безопасности является противопожарная защита. Здания должны быть спроектированы таким образом, чтобы минимизировать риск возникновения пожара и обеспечить безопасную эвакуацию людей в случае чрезвычайной ситуации. Это включает в себя использование огнестойких материалов, проектирование эвакуационных выходов и установку систем пожарной сигнализации и тушения.
Кроме того, конструктивные решения должны учитывать вопросы доступности для людей с ограниченными возможностями. Архитекторы должны предусмотреть безбарьерные подходы, удобные входы и лифты, а также другие элементы, которые обеспечат комфортное передвижение по зданию для всех пользователей.
Важным этапом в процессе проектирования является создание детализированных чертежей и спецификаций. Эти документы служат основой для строительства и должны содержать всю необходимую информацию о конструктивных решениях, материалах и технологиях. Чертежи должны быть понятными и точными, чтобы избежать ошибок в процессе реализации проекта.
После завершения проектирования начинается этап строительства, который также требует внимательного контроля за выполнением конструктивных решений. Архитекторы и инженеры должны следить за тем, чтобы все работы выполнялись в соответствии с проектной документацией и строительными нормами. Это включает в себя регулярные проверки качества материалов, соблюдение технологий и контроль за выполнением сроков.
В процессе строительства могут возникать различные проблемы, требующие оперативного решения. Например, изменения в проекте могут быть вызваны непредвиденными обстоятельствами, такими как изменения в геологических условиях или задержки с поставкой материалов. В таких случаях важно иметь гибкость и возможность адаптировать конструктивные решения без ущерба для качества и безопасности.
После завершения строительства здание должно пройти этап приемки, на котором проверяется соответствие выполненных работ проектной документации. Это включает в себя проверку всех конструктивных решений, систем инженерного обеспечения и отделки. Только после успешной приемки здание может быть введено в эксплуатацию.
Таким образом, конструктивные решения в архитектурном проектировании — это сложный и многогранный процесс, который требует глубоких знаний, опыта и внимательности. Успех проекта зависит от грамотного сочетания всех элементов, начиная от анализа условий и выбора материалов до контроля за строительством и приемки готового объекта. Каждый этап важен и требует тщательной проработки, чтобы создать безопасное, функциональное и эстетически привлекательное здание.
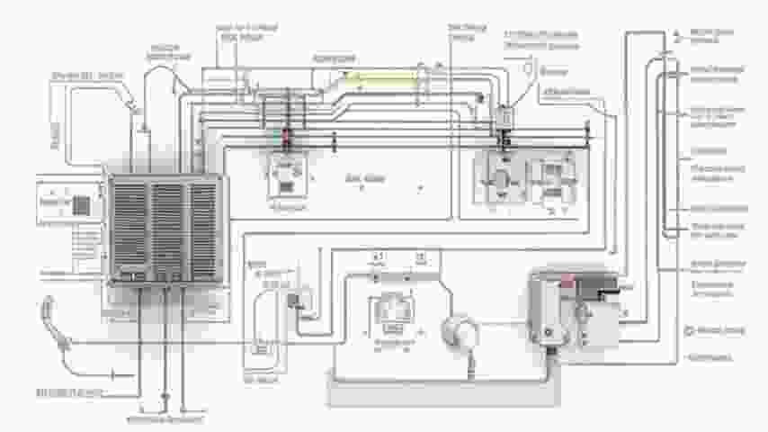
Системы электроснабжения
Системы электроснабжения играют ключевую роль в архитектурном проектировании, обеспечивая не только функциональность зданий, но и их энергоэффективность. В процессе проектирования важно учитывать множество факторов, включая типы систем, их размещение, а также взаимодействие с другими инженерными системами. Архитектурное проектирование должно быть интегрировано с электрическими системами, чтобы обеспечить оптимальное распределение энергии и минимизацию потерь.
Одним из основных аспектов проектирования систем электроснабжения является выбор типа системы. Существуют различные подходы к организации электроснабжения, включая:
- Централизованные системы — предполагают использование одной или нескольких подстанций для питания большого количества потребителей.
- Децентрализованные системы — включают в себя локальные источники энергии, такие как солнечные панели или ветряные турбины, которые могут быть установлены непосредственно на здании.
- Гибридные системы — комбинируют централизованные и децентрализованные подходы, что позволяет повысить надежность и устойчивость электроснабжения.
При проектировании систем электроснабжения необходимо учитывать не только технические характеристики, но и архитектурные особенности здания. Например, размещение электрических щитов, распределительных устройств и кабельных каналов должно быть согласовано с общим дизайном интерьеров и экстерьеров. Это требует тесного сотрудничества между архитекторами и инженерами-электриками.
Кроме того, важным аспектом является выбор оборудования. Современные технологии предлагают широкий спектр решений, включая:
- Системы автоматизации — позволяют управлять потреблением энергии, оптимизируя работу всех систем здания.
- Энергоэффективные устройства — такие как светодиоды и высокоэффективные трансформаторы, которые снижают потребление энергии.
- Системы резервного питания — обеспечивают бесперебойное электроснабжение в случае отключения основной сети.
Архитектурное проектирование также должно учитывать требования к безопасности. Это включает в себя защиту от коротких замыканий, перегрузок и других аварийных ситуаций. Проектировщики должны предусмотреть соответствующие меры, такие как установка автоматических выключателей, защитных реле и систем заземления.
Важным аспектом является также соблюдение норм и стандартов, регулирующих проектирование систем электроснабжения. Эти нормы определяют требования к безопасности, надежности и энергоэффективности, что является обязательным для всех новых проектов. Например, в России действуют нормы, установленные в ПУЭ (Правила устройства электроустановок), которые необходимо учитывать на всех этапах проектирования.
При проектировании систем электроснабжения также необходимо учитывать факторы, влияющие на устойчивость и надежность работы этих систем. К ним относятся:
- Климатические условия — в зависимости от региона, где расположено здание, могут потребоваться специальные решения для защиты оборудования от воздействия внешней среды.
- Нагрузочные характеристики — необходимо заранее определить, какие нагрузки будут предъявлены к системе, чтобы правильно выбрать сечение проводов и мощность трансформаторов.
- Потребительские привычки — понимание того, как и когда будут использоваться электрические устройства, поможет оптимизировать проектирование системы.
Важным этапом является также проектирование схемы электроснабжения. Схема должна быть четкой и понятной, чтобы обеспечить легкость в обслуживании и ремонте. Важно предусмотреть возможность расширения системы в будущем, что может потребовать дополнительных мощностей или новых линий.
Современные технологии позволяют интегрировать системы электроснабжения с другими инженерными системами здания, такими как системы отопления, вентиляции и кондиционирования воздуха (ОВК). Это позволяет создать единое управление всеми системами, что значительно повышает общую энергоэффективность здания. Например, системы умного дома могут автоматически регулировать освещение и климат в зависимости от времени суток и присутствия людей в помещениях.
Не менее важным аспектом является выбор материалов и оборудования для систем электроснабжения. Использование качественных и надежных материалов позволяет снизить риск аварий и продлить срок службы системы. При этом необходимо учитывать не только стоимость, но и эксплуатационные характеристики, такие как устойчивость к коррозии, механическим повреждениям и температурным колебаниям.
В процессе проектирования также следует уделить внимание вопросам экологии и устойчивого развития. Использование возобновляемых источников энергии, таких как солнечные панели и ветряные турбины, может значительно снизить углеродный след здания. Кроме того, важно учитывать возможность повторного использования и переработки материалов, что также способствует снижению негативного воздействия на окружающую среду.
В заключение, проектирование систем электроснабжения в архитектурном проектировании — это сложный и многогранный процесс, требующий комплексного подхода. Успех зависит от взаимодействия различных специалистов, включая архитекторов, инженеров и проектировщиков, а также от учета множества факторов, влияющих на эффективность и безопасность систем. Важно помнить, что хорошо спроектированная система электроснабжения не только обеспечивает комфорт и безопасность, но и способствует устойчивому развитию и экономии ресурсов.
системы водоснабжения
Системы водоснабжения являются важным аспектом архитектурного проектирования, так как они обеспечивают необходимый уровень комфорта и безопасности для пользователей зданий и сооружений. В процессе проектирования систем водоснабжения необходимо учитывать множество факторов, включая тип здания, его назначение, климатические условия, а также требования к качеству воды.
Одним из первых этапов проектирования систем водоснабжения является анализ потребностей. На этом этапе необходимо определить, сколько воды потребуется для различных нужд: питьевых, хозяйственных, санитарных и технических. Для этого важно учитывать количество пользователей, а также их повседневные привычки и потребности. Например, в жилых зданиях потребление воды может варьироваться в зависимости от количества жильцов, наличия бытовой техники и других факторов.
Следующим шагом является выбор источника водоснабжения. В зависимости от местоположения здания и доступных ресурсов, источником воды могут быть: централизованные системы водоснабжения, артезианские скважины, колодцы или дождевые воды. Каждый из этих источников имеет свои преимущества и недостатки, которые необходимо учитывать при проектировании. Например, централизованные системы обеспечивают стабильное качество воды, но могут быть подвержены перебоям в подаче, в то время как использование артезианских скважин может потребовать дополнительных затрат на бурение и оборудование.
После выбора источника водоснабжения необходимо разработать схему распределения воды. Это включает в себя проектирование трубопроводов, насосных станций, резервуаров и других элементов системы. Важно учитывать не только технические характеристики, но и архитектурные особенности здания. Например, трубопроводы должны быть расположены так, чтобы минимизировать их визуальное воздействие на интерьер и экстерьер, а также обеспечить легкий доступ для обслуживания.
При проектировании систем водоснабжения также необходимо учитывать нормативные требования. В разных странах и регионах существуют различные стандарты и нормы, касающиеся качества воды, ее распределения и использования. Эти требования могут включать в себя минимальные размеры трубопроводов, требования к давлению воды, а также правила по установке сантехнического оборудования. Соблюдение этих норм является обязательным для обеспечения безопасности и комфорта пользователей.
Кроме того, важным аспектом является учет экологических факторов. Современные системы водоснабжения должны быть не только эффективными, но и экологически чистыми. Это может включать в себя использование технологий для повторного использования воды, системы фильтрации и очистки, а также внедрение решений для снижения потребления воды. Например, установка систем сбора дождевой воды может значительно снизить нагрузку на централизованные системы водоснабжения и уменьшить затраты на водоснабжение.
В процессе проектирования также следует учитывать экономические аспекты. Стоимость систем водоснабжения может варьироваться в зависимости от используемых технологий, материалов и сложности проектирования. Поэтому важно проводить детальный анализ затрат на строительство и эксплуатацию системы, чтобы обеспечить ее экономическую целесообразность. Это может включать в себя оценку сроков окупаемости инвестиций, а также анализ возможных рисков и непредвиденных расходов.
Наконец, не менее важным является планирование обслуживания и эксплуатации систем водоснабжения. На этапе проектирования необходимо предусмотреть доступ к элементам системы для их регулярного обслуживания и ремонта. Это поможет избежать серьезных проблем в будущем и обеспечит долгосрочную надежность системы. Также стоит рассмотреть возможность внедрения автоматизированных систем мониторинга, которые позволят оперативно выявлять и устранять неисправности.
При проектировании систем водоснабжения также важно учитывать инновационные технологии, которые могут повысить эффективность и надежность системы. Например, использование умных счетчиков воды позволяет отслеживать потребление в реальном времени, что помогает выявлять утечки и оптимизировать расход. Такие технологии могут значительно снизить затраты на водоснабжение и улучшить управление ресурсами.
Кроме того, стоит обратить внимание на интеграцию систем водоснабжения с другими инженерными системами. Например, системы отопления, вентиляции и кондиционирования воздуха могут быть связаны с водоснабжением, что позволяет оптимизировать энергозатраты и улучшить общую эффективность здания. Важно, чтобы все системы работали в едином комплексе, что требует тщательной координации на этапе проектирования.
Не менее важным аспектом является обучение персонала, который будет заниматься эксплуатацией и обслуживанием систем водоснабжения. Правильное обучение позволяет избежать ошибок, которые могут привести к авариям или снижению качества обслуживания. Важно, чтобы сотрудники знали не только технические аспекты работы системы, но и основы безопасности, а также умели реагировать на нештатные ситуации.
В процессе проектирования также следует учитывать социальные аспекты. Важно, чтобы система водоснабжения отвечала потребностям местного населения и учитывала его мнение. Это может включать в себя проведение опросов и консультаций с жителями, чтобы понять их потребности и ожидания. Участие сообщества в проектировании может повысить уровень доверия и удовлетворенности пользователей.
При проектировании систем водоснабжения необходимо также учитывать долгосрочные перспективы. С учетом изменения климата и роста населения, потребности в водоснабжении могут изменяться. Поэтому важно разрабатывать системы, которые могут адаптироваться к будущим условиям. Это может включать в себя использование модульных решений, которые можно легко расширять или модернизировать по мере необходимости.
В заключение, проектирование систем водоснабжения в рамках архитектурного проектирования требует комплексного подхода, который учитывает технические, экономические, экологические и социальные аспекты. Успешная реализация таких систем зависит от тщательного планирования, инновационных решений и активного взаимодействия с пользователями. Это позволит создать эффективные и надежные системы, которые будут служить на благо общества на протяжении многих лет.
системы водоотведения
Системы водоотведения играют ключевую роль в архитектурном проектировании, обеспечивая эффективное удаление сточных вод и предотвращая затопление территорий. Важно учитывать различные аспекты проектирования таких систем, чтобы они соответствовали современным требованиям и стандартам.
Типы систем водоотведения
- Гравитационные системы
- Принудительные системы
- Комбинированные системы
Гравитационные системы водоотведения используют силу тяжести для перемещения сточных вод. Они наиболее распространены в городских и сельских районах, где рельеф позволяет организовать уклон трубопроводов. Принудительные системы, в свою очередь, применяются в местах с низким уровнем грунтовых вод или в условиях, когда необходимо поднимать сточные воды на более высокий уровень. Комбинированные системы объединяют оба подхода, что позволяет оптимизировать процесс водоотведения.
Проектирование систем водоотведения
Проектирование систем водоотведения включает в себя несколько ключевых этапов:
- Анализ местности и определение источников сточных вод
- Выбор типа системы водоотведения
- Разработка схемы расположения трубопроводов
- Расчет диаметров труб и уклонов
- Определение мест установки насосных станций и очистных сооружений
На первом этапе важно провести детальный анализ местности, чтобы выявить источники сточных вод и оценить их объем. Это поможет в дальнейшем выбрать наиболее подходящий тип системы водоотведения. На втором этапе проектировщики должны учитывать не только технические характеристики, но и экологические аспекты, такие как влияние на окружающую среду.
Технические характеристики
При проектировании систем водоотведения необходимо учитывать следующие технические характеристики:
- Пропускная способность трубопроводов
- Материалы труб
- Уклоны и длина трубопроводов
- Наличие и тип насосных станций
Пропускная способность трубопроводов должна соответствовать расчетным объемам сточных вод. Выбор материалов труб зависит от условий эксплуатации и требований к прочности. Уклоны трубопроводов должны обеспечивать самотечный режим, что минимизирует затраты на электроэнергию для насосов.
Экологические аспекты
При проектировании систем водоотведения необходимо учитывать экологические аспекты, такие как:
- Влияние на грунтовые воды
- Загрязнение водоемов
- Устойчивость к эрозии
Важно минимизировать негативное воздействие на окружающую среду, что может быть достигнуто за счет правильного выбора местоположения трубопроводов и очистных сооружений. Также необходимо предусмотреть меры по защите от загрязнения водоемов, например, установку фильтров и очистных сооружений.
Заключение
Системы водоотведения являются важным элементом архитектурного проектирования, и их правильное проектирование требует комплексного подхода, учитывающего как технические, так и экологические аспекты.
Системы очистки сточных вод
Одним из ключевых аспектов систем водоотведения является очистка сточных вод. Существуют различные технологии и методы, которые могут быть использованы для этого процесса:
- Физические методы
- Химические методы
- Биологические методы
Физические методы включают в себя механическую фильтрацию и осаждение твердых частиц. Эти методы часто используются на первых этапах очистки, чтобы удалить крупные загрязняющие вещества. Химические методы включают в себя использование реагентов для нейтрализации или осаждения загрязняющих веществ, что позволяет улучшить качество сточных вод перед их сбросом в водоемы.
Биологические методы основаны на использовании микроорганизмов для разложения органических веществ. Эти методы являются наиболее эффективными для очистки сточных вод, содержащих органические загрязнители. Важно правильно выбрать тип биологической очистки, который может быть аэробным или анаэробным, в зависимости от условий и требований.
Нормативные требования
Проектирование систем водоотведения и очистки сточных вод должно соответствовать действующим нормативным требованиям и стандартам. В разных странах существуют свои правила и нормы, регулирующие качество сточных вод, которые сбрасываются в водоемы, а также требования к системам очистки. Эти нормы направлены на защиту окружающей среды и здоровья населения.
При проектировании необходимо учитывать следующие аспекты:
- Максимально допустимые концентрации загрязняющих веществ
- Требования к очистным сооружениям
- Методы контроля и мониторинга качества сточных вод
Соблюдение нормативных требований не только обеспечивает защиту окружающей среды, но и позволяет избежать штрафов и других санкций со стороны контролирующих органов.
Инновационные технологии
Современные технологии в области водоотведения и очистки сточных вод постоянно развиваются. Внедрение инновационных решений позволяет повысить эффективность систем и снизить их воздействие на окружающую среду. К таким технологиям можно отнести:
- Мембранные технологии
- Системы замкнутого водоснабжения
- Умные системы управления
Мембранные технологии позволяют эффективно отделять загрязняющие вещества от воды, обеспечивая высокую степень очистки. Системы замкнутого водоснабжения позволяют повторно использовать сточные воды, что значительно снижает потребление пресной воды. Умные системы управления, основанные на использовании датчиков и автоматизации, позволяют оптимизировать процессы очистки и водоотведения, что приводит к снижению затрат и повышению надежности систем.
Заключение
Системы водоотведения и очистки сточных вод являются важной частью архитектурного проектирования. Их правильное проектирование и внедрение современных технологий позволяют обеспечить эффективное управление водными ресурсами и защиту окружающей среды.
системы отопление вентиляции и кондиционирования воздуха
Системы отопления, вентиляции и кондиционирования воздуха (ОВК) играют ключевую роль в архитектурном проектировании, обеспечивая комфортные условия для проживания и работы людей. Эти системы не только влияют на микроклимат внутри зданий, но и на их энергоэффективность, что становится особенно актуальным в условиях современных требований к устойчивому строительству.
При проектировании систем ОВК необходимо учитывать множество факторов, включая климатические условия региона, тип здания, его назначение и архитектурные особенности. Важно, чтобы системы были интегрированы в общий архитектурный замысел, не нарушая эстетики и функциональности пространства.
1. Основные принципы проектирования систем ОВК
Проектирование систем ОВК начинается с анализа потребностей пользователей и условий эксплуатации. Основные принципы, которые следует учитывать, включают:
- Энергоэффективность: Системы должны быть спроектированы с учетом минимизации потребления энергии, что достигается за счет использования современных технологий и оборудования.
- Комфорт: Важно обеспечить оптимальные параметры температуры, влажности и качества воздуха, что напрямую влияет на здоровье и работоспособность людей.
- Экологичность: Использование экологически чистых материалов и технологий, а также минимизация негативного воздействия на окружающую среду.
- Интеграция с архитектурой: Системы должны гармонично вписываться в архитектурное решение, не нарушая его эстетические качества.
2. Этапы проектирования систем ОВК
Проектирование систем ОВК можно разделить на несколько ключевых этапов:
- Исследование и анализ: На этом этапе проводится анализ климатических условий, определяются требования к микроклимату и собираются данные о потребностях пользователей.
- Концептуальное проектирование: Разрабатывается концепция системы, выбираются основные решения по отоплению, вентиляции и кондиционированию.
- Подбор оборудования: На основе концепции выбирается необходимое оборудование, учитывая его характеристики и возможности.
- Разработка проектной документации: Создаются чертежи, схемы и спецификации, которые будут использоваться при монтаже систем.
- Монтаж и наладка: После завершения проектирования осуществляется установка систем, их наладка и тестирование.
3. Влияние архитектурных решений на системы ОВК
Архитектурные решения оказывают значительное влияние на проектирование систем ОВК. Например, форма и ориентация здания могут существенно повлиять на его теплопотери и потребности в отоплении. Здания с большими окнами на южной стороне могут требовать более мощных систем кондиционирования, в то время как здания с хорошей теплоизоляцией могут снизить потребности в отоплении.
Также важно учитывать внутреннюю планировку помещений. Открытые пространства требуют других подходов к вентиляции, чем закрытые кабинеты. В таких случаях могут быть использованы системы с переменным объемом воздуха, которые позволяют адаптировать подачу воздуха в зависимости от текущих потребностей.
4. Выбор систем отопления
Системы отопления могут быть различными, и выбор конкретного типа зависит от множества факторов, включая климат, тип здания и его назначение. Основные типы систем отопления включают:
- Водяное отопление: Использует горячую воду, циркулирующую по трубам, для обогрева помещений. Это один из самых распространенных методов, обеспечивающий равномерное распределение тепла.
- Электрическое отопление: Включает в себя различные решения, такие как электрические радиаторы и теплые полы. Этот метод удобен в установке, но может быть менее экономичным в эксплуатации.
- Газовое отопление: Использует природный газ для обогрева. Это один из самых экономичных способов, но требует наличия газопровода и соблюдения мер безопасности.
- Тепловые насосы: Эффективно используют тепло из окружающей среды (воздуха, воды или земли) для обогрева. Они могут быть более дорогими в установке, но обеспечивают значительную экономию энергии в долгосрочной перспективе.
5. Вентиляция и ее значение
Вентиляция является важной частью систем ОВК, обеспечивая приток свежего воздуха и удаление загрязненного. Существует несколько типов вентиляции:
- Принудительная вентиляция: Использует вентиляторы для создания потока воздуха. Это позволяет контролировать объем и качество воздуха, что особенно важно в помещениях с высокой заполняемостью.
- Естественная вентиляция: Основана на разнице температур и давления, позволяя воздуху свободно циркулировать через окна и вентиляционные каналы. Этот метод менее затратен, но зависит от внешних условий.
- Смешанная вентиляция: Комбинирует принудительную и естественную вентиляцию, обеспечивая гибкость и эффективность.
6. Кондиционирование воздуха
Кондиционирование воздуха необходимо для поддержания комфортной температуры и влажности в помещениях. Системы кондиционирования могут быть:
- Сплит-системы: Состоят из внутреннего и наружного блока, обеспечивая эффективное охлаждение и обогрев.
- Центральные системы: Обеспечивают кондиционирование для всего здания через систему воздуховодов. Это решение подходит для больших объектов.
- Мобильные кондиционеры: Легкие и удобные в использовании, могут быть перемещены в зависимости от потребностей.
При проектировании систем кондиционирования важно учитывать не только технические характеристики, но и уровень шума, который они создают, а также их влияние на энергопотребление.
7. Интеграция систем ОВК в архитектурное проектирование
Интеграция систем ОВК в архитектурное проектирование требует тесного сотрудничества между архитекторами и инженерами. Важно, чтобы системы не только выполняли свои функции, но и соответствовали общему стилю и концепции здания. Это может включать:
- Скрытие оборудования: Использование специальных конструкций для скрытия вентиляционных решеток и кондиционеров, чтобы они не нарушали эстетический вид.
- Использование естественного освещения: Проектирование окон и проемов таким образом, чтобы минимизировать потребность в искусственном освещении и кондиционировании.
- Учет акустических характеристик: Проектирование систем с учетом звукоизоляции, чтобы минимизировать шум от оборудования.
Таким образом, системы отопления, вентиляции и кондиционирования воздуха являются неотъемлемой частью архитектурного проектирования, и их правильная интеграция позволяет создать комфортные и энергоэффективные здания.
слаботочные системы
Дисциплина архитектурного проектирования в контексте слаботочных систем охватывает множество аспектов, связанных с проектированием, установкой и эксплуатацией систем, которые не требуют высокого напряжения для своей работы. Эти системы включают в себя различные технологии, такие как системы видеонаблюдения, охранные сигнализации, системы контроля доступа, а также сети передачи данных и телефонные системы. Важно понимать, что слаботочные системы играют ключевую роль в обеспечении безопасности, комфорта и функциональности современных зданий и сооружений.
При проектировании слаботочных систем необходимо учитывать множество факторов, включая требования к безопасности, функциональные характеристики, а также эстетические аспекты. Архитекторы и проектировщики должны работать в тесном сотрудничестве, чтобы обеспечить интеграцию слаботочных систем в общий архитектурный замысел. Это требует глубокого понимания как технических, так и дизайнерских аспектов.
Основные компоненты слаботочных систем
- Системы видеонаблюдения: Эти системы включают в себя камеры, видеорегистраторы и программное обеспечение для обработки и хранения видеоданных. Важно правильно выбрать места установки камер, чтобы обеспечить максимальное покрытие и минимизировать слепые зоны.
- Охранные сигнализации: Системы охранной сигнализации могут включать в себя датчики движения, магнитные контакты на дверях и окнах, а также системы оповещения. Проектирование таких систем требует учета планировки здания и потенциальных уязвимостей.
- Системы контроля доступа: Эти системы обеспечивают управление доступом в здание или отдельные помещения. Они могут включать в себя электронные замки, карты доступа и биометрические системы. Важно учитывать уровень безопасности, необходимый для различных зон.
- Сети передачи данных: Включают в себя локальные сети (LAN), Wi-Fi и другие технологии передачи данных. Проектирование таких систем требует учета пропускной способности, надежности и безопасности передачи данных.
- Телефонные системы: Современные телефонные системы могут быть как аналоговыми, так и цифровыми. Важно учитывать требования к качеству связи и интеграции с другими системами.
Каждый из этих компонентов требует тщательного проектирования и интеграции в общую архитектурную концепцию. Например, при проектировании системы видеонаблюдения необходимо учитывать не только технические характеристики камер, но и их визуальное воздействие на архитектурный облик здания. Это может включать в себя выбор цвета, формы и места установки оборудования.
Процесс проектирования слаботочных систем
Процесс проектирования слаботочных систем можно разделить на несколько этапов:
- Анализ требований: На этом этапе необходимо определить, какие системы необходимы для конкретного объекта, а также их функциональные требования.
- Разработка концепции: На основе анализа требований разрабатывается концепция проектирования, которая включает в себя общие принципы и подходы к интеграции слаботочных систем.
- Техническое проектирование: На этом этапе создаются детальные схемы и чертежи, которые включают в себя расположение оборудования, прокладку кабелей и другие технические детали.
- Согласование и утверждение: Проект должен быть согласован с заказчиком и другими заинтересованными сторонами, включая архитекторов и инженеров.
- Монтаж и наладка: После утверждения проекта осуществляется монтаж систем, их наладка и тестирование.
Каждый из этих этапов требует внимательного подхода и взаимодействия между различными специалистами, чтобы обеспечить успешную реализацию проекта. Важно помнить, что слаботочные системы должны быть не только функциональными, но и эстетически привлекательными, чтобы гармонично вписываться в общий архитектурный стиль здания.
Интеграция слаботочных систем в архитектурное проектирование
Интеграция слаботочных систем в архитектурное проектирование требует комплексного подхода, который учитывает как технические, так и эстетические аспекты. Архитекторы должны работать в тесном сотрудничестве с инженерами и проектировщиками слаботочных систем, чтобы обеспечить гармоничное сочетание функциональности и дизайна. Это включает в себя:
- Выбор оборудования: При выборе оборудования для слаботочных систем необходимо учитывать не только его технические характеристики, но и внешний вид. Например, камеры видеонаблюдения могут быть выполнены в различных стилях, что позволяет им лучше вписываться в архитектурный облик здания.
- Планировка пространства: Проектировщики должны учитывать, как размещение слаботочных систем повлияет на использование пространства. Например, размещение датчиков движения и камер должно быть таким, чтобы они не мешали свободному передвижению людей и не создавали визуальных помех.
- Эстетические решения: Важно, чтобы слаботочные системы не нарушали общий стиль интерьера и экстерьера. Это может включать в себя использование скрытых проводов, специальных коробов для кабелей и других решений, которые минимизируют визуальное воздействие оборудования.
Технические аспекты проектирования
Технические аспекты проектирования слаботочных систем также играют важную роль. К ним относятся:
- Системы электропитания: Слаботочные системы требуют надежного электропитания. Проектировщики должны учитывать, как будет организовано питание для всех компонентов системы, включая резервные источники питания для обеспечения бесперебойной работы.
- Кабельные системы: Правильная прокладка кабелей является критически важной для обеспечения надежности и производительности слаботочных систем. Необходимо учитывать типы кабелей, их длину и способ прокладки, чтобы избежать потерь сигнала и помех.
- Системы управления: Современные слаботочные системы часто интегрируются в единые системы управления, что позволяет централизованно управлять всеми компонентами. Проектировщики должны учитывать, как будет организовано управление и мониторинг систем.
Тестирование и наладка систем
После завершения монтажа слаботочных систем необходимо провести тестирование и наладку. Это включает в себя:
- Проверка работоспособности: Все компоненты системы должны быть протестированы на работоспособность, чтобы убедиться, что они функционируют должным образом.
- Настройка параметров: В зависимости от результатов тестирования может потребоваться настройка параметров системы для достижения оптимальной производительности.
- Обучение пользователей: Важно провести обучение для пользователей систем, чтобы они могли эффективно использовать все функции и возможности, которые предоставляют слаботочные системы.
Заключение
Проектирование слаботочных систем в архитектурном контексте требует внимательного подхода и взаимодействия между различными специалистами. Успешная интеграция этих систем в архитектурный проект не только повышает функциональность здания, но и способствует созданию безопасной и комфортной среды для его пользователей. Важно помнить, что слаботочные системы должны быть спроектированы с учетом всех современных требований и стандартов, чтобы обеспечить их надежную и эффективную работу на протяжении всего срока эксплуатации.
системы газоснабжения
Системы газоснабжения являются важным элементом инфраструктуры любого современного здания. Они обеспечивают подачу природного газа для различных нужд, включая отопление, горячее водоснабжение и приготовление пищи. В процессе архитектурного проектирования необходимо учитывать множество факторов, связанных с безопасностью, эффективностью и экономичностью газоснабжения.
При проектировании систем газоснабжения важно учитывать следующие аспекты:
- Выбор источника газа: Наиболее распространенным источником является природный газ, однако в некоторых случаях могут использоваться сжиженные углеводороды или биогаз. Выбор источника зависит от доступности, стоимости и экологических норм.
- Проектирование газопроводов: Газопроводы должны быть спроектированы с учетом максимальной нагрузки, а также с соблюдением всех норм и стандартов. Важно правильно рассчитать диаметр труб, чтобы обеспечить необходимое давление и минимизировать потери газа.
- Системы безопасности: Включают в себя автоматические системы отключения, датчики утечки газа и вентиляцию. Эти системы должны быть интегрированы в проект на ранних стадиях, чтобы обеспечить безопасность пользователей.
- Энергоэффективность: Современные технологии позволяют оптимизировать потребление газа, что снижает затраты и уменьшает негативное воздействие на окружающую среду. Важно использовать высокоэффективные котлы и системы управления.
- Согласование с нормативными актами: Проектирование систем газоснабжения должно соответствовать местным и национальным стандартам, включая правила по безопасности и охране окружающей среды.
Архитектурное проектирование систем газоснабжения требует комплексного подхода, который включает в себя взаимодействие различных специалистов: архитекторов, инженеров, проектировщиков и специалистов по безопасности. Каждый из них вносит свой вклад в создание безопасной и эффективной системы газоснабжения.
На этапе проектирования необходимо провести детальный анализ потребностей здания в газе. Это включает в себя расчет тепловых нагрузок, определение необходимого объема горячей воды и оценку потребностей в газе для кухонных нужд. Все эти данные помогут в дальнейшем правильно спроектировать систему газоснабжения.
Кроме того, важно учитывать расположение газопроводов. Они должны быть размещены таким образом, чтобы минимизировать риск повреждений и обеспечить легкий доступ для обслуживания. Также необходимо предусмотреть защиту газопроводов от коррозии и механических повреждений.
Важным аспектом является выбор оборудования для систем газоснабжения. Это включает в себя котлы, газовые плиты, водонагреватели и другое оборудование. Все устройства должны соответствовать современным стандартам и быть сертифицированы для использования в конкретных условиях.
Не менее важным является вопрос вентиляции. Системы газоснабжения должны быть спроектированы с учетом обеспечения достаточной вентиляции помещений, где используется газовое оборудование. Это поможет избежать накопления угарного газа и других вредных веществ в воздухе.
В процессе проектирования также необходимо учитывать возможность подключения к существующим газовым сетям. Это может потребовать дополнительных согласований и проектных работ, но в конечном итоге обеспечит более надежное и экономичное газоснабжение.
Таким образом, проектирование систем газоснабжения в рамках архитектурного проектирования — это сложный и многогранный процесс, который требует внимательного подхода и учета множества факторов. Каждый этап проектирования должен быть тщательно проработан, чтобы обеспечить безопасность, эффективность и комфорт пользователей.
При проектировании систем газоснабжения также необходимо учитывать различные типы газового оборудования, которое будет использоваться в здании. К ним относятся:
- Котлы: Они могут быть как напольными, так и настенными, и должны соответствовать требованиям по мощности и эффективности. Важно учитывать тип топлива и его характеристики, чтобы выбрать оптимальный котел для конкретного здания.
- Газовые плиты: При проектировании кухонных помещений необходимо учитывать размещение газовых плит, их подключение к системе газоснабжения и вентиляции. Плиты должны быть установлены в соответствии с нормами безопасности.
- Водонагреватели: Они могут быть как проточными, так и накопительными. Важно правильно рассчитать их мощность в зависимости от потребностей пользователей.
- Газовые камины и отопительные приборы: Эти устройства могут использоваться для создания комфортной атмосферы в помещениях. Их проектирование требует особого внимания к вопросам безопасности и вентиляции.
Кроме того, необходимо учитывать возможность автоматизации систем газоснабжения. Современные технологии позволяют интегрировать системы управления, которые обеспечивают мониторинг и управление подачей газа, а также автоматическое отключение в случае аварийных ситуаций. Это значительно повышает уровень безопасности и удобства для пользователей.
Важным аспектом является также обучение пользователей правильному обращению с газовым оборудованием. Необходимо предусмотреть инструктаж и предоставление информации о правилах безопасности, что поможет избежать несчастных случаев и повысит уровень осведомленности пользователей.
На этапе проектирования следует также учитывать возможность будущих изменений в системе газоснабжения. Это может быть связано с увеличением потребностей в газе, заменой оборудования или модернизацией системы. Проект должен быть гибким и предусматривать возможность адаптации к изменяющимся условиям.
Не менее важным является вопрос экологической безопасности. Проектирование систем газоснабжения должно учитывать влияние на окружающую среду, включая выбросы углекислого газа и других загрязняющих веществ. Использование высокоэффективного оборудования и технологий может значительно снизить негативное воздействие на природу.
В заключение, проектирование систем газоснабжения в рамках архитектурного проектирования — это сложный и многогранный процесс, который требует комплексного подхода и взаимодействия различных специалистов. Успешное проектирование обеспечит не только комфорт и безопасность пользователей, но и эффективное использование ресурсов, что является важным аспектом устойчивого развития.
Технологические решения
В современном архитектурном проектировании технологии играют ключевую роль, обеспечивая не только эффективность процессов, но и высокое качество конечного продукта. Технологические решения в этой области охватывают широкий спектр инструментов и методов, которые помогают архитекторам и проектировщикам реализовывать свои идеи, оптимизировать рабочие процессы и улучшать взаимодействие с клиентами.
1. Программное обеспечение для архитектурного проектирования
Одним из основных технологических решений в архитектурном проектировании является использование специализированного программного обеспечения. Существует множество программ, которые помогают архитекторам создавать и визуализировать проекты. К числу наиболее популярных относятся:
- AutoCAD — классическая программа для 2D и 3D проектирования, широко используемая в архитектуре и инженерии.
- Revit — инструмент для информационного моделирования зданий (BIM), который позволяет создавать детализированные 3D-модели и управлять ими на всех этапах проектирования.
- SketchUp — интуитивно понятная программа для 3D-моделирования, популярная среди архитекторов и дизайнеров благодаря своей простоте и гибкости.
- Archicad — еще один мощный инструмент для BIM-проектирования, который предлагает широкий набор функций для создания архитектурных проектов.
Эти программы позволяют архитекторам не только создавать чертежи, но и проводить анализ, моделирование и визуализацию, что значительно упрощает процесс проектирования и повышает его качество.
2. Виртуальная и дополненная реальность
Виртуальная (VR) и дополненная реальность (AR) становятся все более популярными в архитектурном проектировании. Эти технологии позволяют архитекторам и клиентам погружаться в проект еще до его реализации. С помощью VR можно создать полное ощущение присутствия в будущем здании, что помогает лучше понять пространство и функциональность. AR, в свою очередь, позволяет накладывать цифровые модели на реальную среду, что дает возможность визуализировать проект в контексте существующих условий.
Использование VR и AR в архитектурном проектировании имеет несколько преимуществ:
- Улучшение коммуникации с клиентами, позволяя им лучше понять проект.
- Снижение количества изменений на поздних стадиях проектирования.
- Повышение точности проектирования за счет более детального анализа пространства.
3. Информационное моделирование зданий (BIM)
BIM-технологии представляют собой революционный подход к архитектурному проектированию, который позволяет создавать и управлять цифровыми моделями зданий на протяжении всего их жизненного цикла. BIM включает в себя не только 3D-моделирование, но и интеграцию данных о материалах, стоимости, сроках и других аспектах проекта.
Преимущества использования BIM в архитектурном проектировании:
- Улучшение координации между различными участниками проекта, такими как архитекторы, инженеры и строители.
- Снижение рисков ошибок и недоразумений за счет наличия единой модели.
- Оптимизация затрат и сроков за счет более точного планирования и анализа.
Таким образом, технологические решения в архитектурном проектировании не только упрощают процессы, но и значительно повышают качество и эффективность работы архитекторов. Внедрение новых технологий позволяет создавать более инновационные и устойчивые проекты, отвечающие современным требованиям и ожиданиям клиентов.
4. Генеративное проектирование
Генеративное проектирование — это современный подход, который использует алгоритмы и искусственный интеллект для создания множества проектных решений на основе заданных параметров. Архитекторы могут задать определенные критерии, такие как размеры, материалы, бюджет и функциональные требования, а программа генерирует различные варианты проектирования, которые соответствуют этим условиям.
Преимущества генеративного проектирования включают:
- Ускорение процесса проектирования за счет автоматизации создания вариантов.
- Возможность исследовать более широкий спектр решений, что может привести к более инновационным и эффективным проектам.
- Оптимизация использования ресурсов и материалов, что способствует устойчивому строительству.
Этот подход особенно полезен в сложных проектах, где традиционные методы проектирования могут быть недостаточно эффективными. Генеративное проектирование позволяет архитекторам сосредоточиться на креативных аспектах, оставляя рутинные задачи на откуп алгоритмам.
5. 3D-печать в архитектуре
3D-печать становится все более распространенной в архитектурном проектировании и строительстве. Эта технология позволяет создавать строительные элементы и даже целые здания с использованием различных материалов, таких как бетон, пластик и металл. 3D-печать предлагает множество преимуществ, включая:
- Снижение затрат на материалы и трудозатраты за счет автоматизации процесса.
- Сокращение времени строительства, так как элементы могут быть напечатаны заранее.
- Возможность создания сложных форм и конструкций, которые трудно реализовать традиционными методами.
Использование 3D-печати также способствует устойчивому строительству, так как позволяет минимизировать отходы и использовать экологически чистые материалы. Эта технология открывает новые горизонты для архитекторов, позволяя им реализовывать самые смелые идеи.
6. Устойчивое проектирование и технологии
Устойчивое проектирование становится важным аспектом архитектурного проектирования, и технологии играют в этом ключевую роль. Использование экологически чистых материалов, энергоэффективных систем и возобновляемых источников энергии становится стандартом в современных проектах. Технологические решения, такие как солнечные панели, системы сбора дождевой воды и умные технологии управления зданием, помогают создавать более устойчивые и эффективные здания.
Преимущества устойчивого проектирования включают:
- Снижение воздействия на окружающую среду и уменьшение углеродного следа.
- Снижение эксплуатационных затрат за счет повышения энергоэффективности.
- Улучшение качества жизни пользователей за счет создания комфортной и здоровой среды.
Таким образом, технологические решения в архитектурном проектировании не только способствуют улучшению процессов, но и помогают создавать более устойчивые и инновационные здания, отвечающие современным требованиям и ожиданиям общества.
Проект организации строительства
Дисциплина архитектурное проектирование охватывает широкий спектр аспектов, связанных с созданием и реализацией архитектурных объектов. Она включает в себя как теоретические, так и практические элементы, которые необходимы для успешного выполнения проектов в области строительства. Важность архитектурного проектирования трудно переоценить, так как оно определяет не только внешний вид зданий, но и их функциональность, безопасность и устойчивость.
Основные этапы архитектурного проектирования
Архитектурное проектирование можно разделить на несколько ключевых этапов, каждый из которых играет важную роль в конечном результате:
- Исследование и анализ - на этом этапе происходит сбор информации о месте строительства, анализ требований заказчика и изучение нормативных документов.
- Концептуальное проектирование - разработка первоначальных идей и концепций, которые будут служить основой для дальнейшего проектирования.
- Эскизное проектирование - создание эскизов и предварительных чертежей, которые визуализируют концепцию и позволяют оценить ее жизнеспособность.
- Рабочее проектирование - на этом этапе разрабатываются детализированные чертежи и спецификации, необходимые для строительства.
- Согласование и экспертиза - проект проходит через различные стадии согласования с государственными органами и экспертами, чтобы убедиться в его соответствии всем требованиям.
- Реализация проекта - непосредственно строительство объекта, где архитектурное проектирование должно быть адаптировано к реальным условиям.
- Эксплуатация и оценка - после завершения строительства важно оценить, насколько проект соответствует первоначальным целям и ожиданиям.
Ключевые аспекты архитектурного проектирования
При проектировании архитектурных объектов необходимо учитывать множество факторов, которые могут повлиять на конечный результат:
- Функциональность - здание должно соответствовать своим назначением и обеспечивать комфортные условия для пользователей.
- Эстетика - внешний вид здания должен быть привлекательным и гармонично вписываться в окружающую среду.
- Экологичность - важно учитывать влияние на окружающую среду и использовать устойчивые материалы и технологии.
- Безопасность - проект должен соответствовать всем нормам и стандартам безопасности, обеспечивая защиту пользователей.
- Экономичность - необходимо учитывать затраты на строительство и эксплуатацию, чтобы проект был финансово оправданным.
Каждый из этих аспектов требует тщательного анализа и проработки на всех этапах проектирования, чтобы обеспечить успешную реализацию архитектурного проекта.
Методы и технологии архитектурного проектирования
Современное архитектурное проектирование активно использует различные методы и технологии, которые помогают повысить качество и эффективность работы. К числу таких методов относятся:
- Компьютерное моделирование - использование программного обеспечения для создания трехмерных моделей зданий, что позволяет визуализировать проект на ранних стадиях и вносить изменения до начала строительства.
- Бим-моделирование (BIM) - метод, который позволяет интегрировать все аспекты проектирования, строительства и эксплуатации в единую цифровую модель, что значительно упрощает управление проектом.
- Генеративный дизайн - использование алгоритмов для автоматического создания множества проектных решений на основе заданных параметров и ограничений.
- Системы управления проектами - применение специализированных программ для планирования, контроля и координации всех этапов проектирования и строительства.
Эти методы позволяют архитекторам более эффективно работать с проектами, минимизируя ошибки и повышая качество конечного продукта.
Роль архитектора в проектировании
Архитектор играет ключевую роль в процессе проектирования. Его задача не только в создании эстетически привлекательных и функциональных зданий, но и в обеспечении их безопасности и устойчивости. Архитектор должен:
- Понимать потребности заказчика - важно учитывать пожелания и требования клиента, чтобы создать проект, который будет соответствовать его ожиданиям.
- Сотрудничать с другими специалистами - архитектор должен работать в команде с инженерами, дизайнерами, строителями и другими профессионалами, чтобы обеспечить комплексный подход к проектированию.
- Следить за новыми тенденциями - архитектура постоянно развивается, и архитектор должен быть в курсе современных технологий, материалов и стилей.
- Учитывать законодательные нормы - проектирование должно соответствовать всем действующим строительным нормам и правилам, что требует от архитектора знания актуальных законодательных актов.
Таким образом, архитектор является связующим звеном между заказчиком, проектом и строительной командой, что делает его роль незаменимой в процессе архитектурного проектирования.
Заключение
Архитектурное проектирование - это сложный и многогранный процесс, который требует от специалистов высокой квалификации и творческого подхода. Успех проекта зависит от тщательной проработки всех этапов, учета различных факторов и применения современных технологий. Важно помнить, что архитектура не только создает физические объекты, но и формирует среду, в которой мы живем, работаем и отдыхаем.
Мероприятия по охране окружающей среды
Архитектурное проектирование играет ключевую роль в формировании окружающей среды и, следовательно, в охране экологии. В последние десятилетия наблюдается растущий интерес к устойчивому развитию и экологически чистым технологиям в архитектуре. Это связано с необходимостью минимизировать негативное воздействие на природу и улучшить качество жизни людей. В рамках мероприятий по охране окружающей среды архитекторы и проектировщики должны учитывать множество факторов, начиная от выбора материалов и заканчивая планировкой зданий.
Одним из основных направлений в архитектурном проектировании является использование экологически чистых материалов. Это могут быть переработанные или натуральные материалы, которые не наносят вреда окружающей среде. Например, древесина из сертифицированных лесов, переработанный бетон и стекло, а также биопластики становятся все более популярными. Использование таких материалов не только снижает углеродный след, но и способствует созданию здоровой внутренней среды для обитателей зданий.
Кроме того, важным аспектом является энергетическая эффективность зданий. Архитекторы должны разрабатывать проекты, которые минимизируют потребление энергии. Это достигается за счет правильной ориентации зданий, использования солнечных панелей, систем рекуперации тепла и других технологий. Например, здания с большими окнами, ориентированными на юг, могут значительно сократить потребление электроэнергии за счет естественного освещения и солнечного тепла.
Также стоит отметить важность зеленых крыш и ландшафтного дизайна в архитектурном проектировании. Зеленые крыши не только улучшают теплоизоляцию зданий, но и способствуют улучшению качества воздуха, снижению уровня шума и увеличению биоразнообразия в городских условиях. Ландшафтный дизайн, включающий в себя использование местных растений, помогает сохранить экосистему и уменьшить потребность в поливе и удобрениях.
Важным элементом мероприятий по охране окружающей среды является водоотведение и управление дождевыми водами. Архитекторы должны проектировать системы, которые позволяют эффективно управлять стоками и предотвращать затопления. Это может включать в себя создание водоемов, биофильтров и систем для сбора дождевой воды, которая может быть использована для полива или технических нужд.
Не менее важным аспектом является социальная ответственность архитекторов. Проектирование должно учитывать потребности местных сообществ и способствовать созданию комфортной городской среды. Это включает в себя создание общественных пространств, доступных для всех, а также обеспечение доступности зданий для людей с ограниченными возможностями.
В заключение, мероприятия по охране окружающей среды в архитектурном проектировании требуют комплексного подхода и взаимодействия различных специалистов. Архитекторы, инженеры, экологи и представители местных сообществ должны работать вместе, чтобы создать устойчивые и комфортные пространства, которые будут служить людям и природе на протяжении многих лет.
Одним из современных подходов в архитектурном проектировании является принцип "умного" города. Этот концепт включает в себя использование технологий для повышения качества жизни горожан и оптимизации использования ресурсов. Например, системы умного освещения, которые автоматически регулируют яркость в зависимости от времени суток и наличия людей, помогают сократить потребление электроэнергии. Также важным аспектом является интеграция транспортных систем, что позволяет уменьшить количество автомобилей на улицах и, как следствие, снизить уровень загрязнения воздуха.
Важным направлением является проектирование с учетом изменения климата. Архитекторы должны учитывать потенциальные риски, связанные с изменением климата, такие как повышение уровня моря, увеличение частоты экстремальных погодных явлений и изменение температурных режимов. Это требует разработки адаптивных решений, которые позволят зданиям оставаться функциональными и безопасными в условиях меняющейся окружающей среды. Например, использование подъемных платформ и защитных барьеров может помочь защитить здания от наводнений.
Также стоит обратить внимание на инновационные технологии, которые активно внедряются в архитектурное проектирование. 3D-печать, виртуальная реальность и моделирование информации о здании (BIM) позволяют создавать более точные и эффективные проекты. Эти технологии помогают сократить количество отходов, улучшить качество строительства и ускорить процесс проектирования. Например, 3D-печать может использоваться для создания строительных элементов непосредственно на месте, что снижает транспортные расходы и уменьшает углеродный след.
Не менее важным аспектом является обучение и просвещение в области устойчивого архитектурного проектирования. Архитекторы и проектировщики должны быть осведомлены о современных тенденциях и технологиях, а также о принципах устойчивого развития. Это может быть достигнуто через курсы повышения квалификации, семинары и участие в профессиональных ассоциациях. Образование играет ключевую роль в формировании нового поколения архитекторов, которые будут способны разрабатывать экологически чистые и устойчивые проекты.
Важным шагом к охране окружающей среды является сотрудничество с местными сообществами. Архитекторы должны активно вовлекать жителей в процесс проектирования, учитывая их мнения и потребности. Это не только способствует созданию более комфортной городской среды, но и повышает уровень доверия между архитекторами и населением. Участие местных жителей в проектировании может привести к более эффективным и устойчивым решениям, которые будут отвечать интересам всех сторон.
Таким образом, мероприятия по охране окружающей среды в архитектурном проектировании требуют комплексного подхода, который включает в себя использование современных технологий, учет изменений климата, обучение специалистов и активное взаимодействие с местными сообществами. Эти аспекты помогут создать устойчивую и комфортную среду для жизни, которая будет служить как людям, так и природе.
Мероприятия по обеспечению пожарной безопасности
Пожарная безопасность является одной из ключевых задач в процессе архитектурного проектирования. Она охватывает широкий спектр мероприятий, направленных на предотвращение возникновения пожаров и минимизацию их последствий. Важно учитывать, что архитектурное проектирование должно быть интегрировано с нормами и правилами пожарной безопасности на всех этапах — от концептуального проектирования до завершения строительства.
Одним из первых шагов в обеспечении пожарной безопасности является анализ рисков. На этом этапе проектировщики должны оценить потенциальные источники возгорания, а также определить возможные пути распространения огня. Это включает в себя изучение материалов, используемых в строительстве, а также планировку помещений и их функциональное назначение.
Следующим важным аспектом является выбор строительных материалов. Все используемые в проекте материалы должны соответствовать установленным стандартам по огнестойкости. Например, для стен и перегородок рекомендуется использовать огнеупорные материалы, которые способны замедлить распространение огня. Также следует учитывать, что некоторые отделочные материалы могут выделять токсичные вещества при горении, что также необходимо учитывать при проектировании.
Кроме того, необходимо предусмотреть эвакуационные пути и выходы. Они должны быть спроектированы таким образом, чтобы обеспечить быструю и безопасную эвакуацию людей в случае пожара. Эвакуационные выходы должны быть четко обозначены, а их количество и ширина должны соответствовать числу людей, которые могут находиться в здании одновременно.
Важным элементом проектирования является также системы противопожарной защиты. Это могут быть как активные, так и пассивные системы. Активные системы включают в себя автоматические системы пожаротушения, такие как спринклеры и системы водяного тумана, а также системы оповещения о пожаре. Пассивные системы включают в себя огнестойкие перегородки, двери и окна, которые помогают замедлить распространение огня и дыма.
Не менее важным является обучение персонала и пользователей зданий. Все сотрудники и жильцы должны быть ознакомлены с правилами пожарной безопасности, знать, как действовать в случае возникновения пожара, и быть обученными использованию средств пожаротушения. Регулярные тренировки и учения помогут повысить уровень готовности к экстренным ситуациям.
Также стоит отметить, что проектирование зданий должно учитывать не только внутренние, но и внешние факторы. Например, расположение здания относительно соседних объектов, наличие природных и искусственных барьеров, а также доступность для пожарной техники. Все эти аспекты могут существенно повлиять на эффективность мероприятий по обеспечению пожарной безопасности.
В заключение, мероприятия по обеспечению пожарной безопасности в архитектурном проектировании требуют комплексного подхода и внимательного отношения к деталям. Каждый этап проектирования должен быть тщательно продуман с учетом всех возможных рисков и требований, что позволит создать безопасное и комфортное пространство для людей.
Одним из ключевых аспектов проектирования является зонирование помещений. Правильное распределение функциональных зон в здании может значительно снизить риск возникновения пожара и его последствий. Например, размещение потенциально опасных производств вдали от жилых зон или общественных пространств позволяет минимизировать угрозу для людей. Также важно учитывать, что некоторые помещения, такие как кухни или технические комнаты, требуют особого внимания и дополнительных мер безопасности.
При проектировании зданий необходимо также учитывать пожарные расстояния между зданиями и другими объектами. Эти расстояния определяются в зависимости от высоты и конструкции зданий, а также от их функционального назначения. Соблюдение норм пожарных расстояний позволяет предотвратить распространение огня на соседние здания и уменьшить риск возникновения массовых пожаров.
Не менее важным является проектирование систем вентиляции. Неправильная организация вентиляции может привести к накоплению дыма и токсичных газов в помещениях, что значительно усложняет эвакуацию и может привести к трагическим последствиям. Проектировщики должны предусмотреть системы, которые будут эффективно удалять дым и обеспечивать приток свежего воздуха в случае пожара.
Также стоит обратить внимание на освещение эвакуационных путей. В случае возникновения пожара, когда электричество может быть отключено, важно, чтобы эвакуационные пути были хорошо освещены. Использование автономных источников света, таких как светодиодные лампы с батарейным питанием, может значительно повысить безопасность и облегчить эвакуацию.
Важным элементом проектирования является интеграция современных технологий. Системы автоматизации и мониторинга могут значительно повысить уровень безопасности. Например, системы, которые автоматически обнаруживают дым и тепло, могут мгновенно оповестить людей о возникновении пожара и активировать системы пожаротушения. Также стоит рассмотреть возможность использования мобильных приложений для оповещения о пожаре и предоставления информации о безопасных маршрутах эвакуации.
Необходимо также учитывать периодическое обследование и техническое обслуживание систем противопожарной защиты. Все системы должны регулярно проверяться и обслуживаться, чтобы гарантировать их работоспособность в случае необходимости. Это включает в себя проверку огнетушителей, систем оповещения и автоматического пожаротушения, а также обучение персонала правильному использованию этих систем.
Важным аспектом является соблюдение нормативных требований и стандартов в области пожарной безопасности. Проектировщики должны быть в курсе актуальных норм и правил, которые могут изменяться в зависимости от региона и типа здания. Это включает в себя как федеральные, так и местные требования, которые могут варьироваться в зависимости от специфики проекта.
В заключение, мероприятия по обеспечению пожарной безопасности в архитектурном проектировании требуют комплексного подхода и внимательного отношения к деталям. Каждый этап проектирования должен быть тщательно продуман с учетом всех возможных рисков и требований, что позволит создать безопасное и комфортное пространство для людей. Важно помнить, что безопасность — это не только соблюдение норм, но и создание культуры безопасности, которая будет поддерживаться всеми участниками процесса.
Требования к обеспечению безопасной эксплуатации объектов капитального строительства
В процессе архитектурного проектирования объектов капитального строительства особое внимание уделяется требованиям, связанным с обеспечением их безопасной эксплуатации. Эти требования охватывают широкий спектр аспектов, начиная от соблюдения норм и стандартов, заканчивая учетом специфики эксплуатации зданий и сооружений.
1. Нормативные документы и стандарты
Архитектурное проектирование должно основываться на действующих нормативных документах, которые регламентируют требования к безопасности объектов. К таким документам относятся:
- Свод правил (СП) по проектированию зданий и сооружений;
- Государственные строительные нормы (ГСН);
- Технические регламенты;
- Международные стандарты (ISO) в области безопасности строительства.
Соблюдение этих норм позволяет минимизировать риски, связанные с эксплуатацией объектов, и обеспечивает защиту жизни и здоровья людей.
2. Проектирование с учетом безопасности
При проектировании зданий необходимо учитывать различные факторы, влияющие на безопасность. Это включает в себя:
- Сейсмическую устойчивость;
- Пожарную безопасность;
- Устойчивость к воздействию внешних факторов (ветер, снег, дождь);
- Экологические аспекты, включая влияние на окружающую среду.
Каждый из этих факторов требует детального анализа и проработки на этапе проектирования, чтобы избежать потенциальных угроз в будущем.
3. Инженерные системы и безопасность
Инженерные системы зданий, такие как электроснабжение, водоснабжение, отопление и вентиляция, играют ключевую роль в обеспечении безопасности эксплуатации. Проектирование этих систем должно учитывать:
- Надежность и устойчивость к аварийным ситуациям;
- Энергоэффективность;
- Системы автоматизации и контроля;
- Системы оповещения и эвакуации в случае чрезвычайных ситуаций.
Правильное проектирование инженерных систем позволяет не только обеспечить комфортные условия для пользователей, но и значительно повысить уровень безопасности.
4. Учет человеческого фактора
Безопасность эксплуатации объектов капитального строительства также зависит от человеческого фактора. Важно учитывать:
- Психологические аспекты восприятия пространства;
- Удобство и доступность для всех категорий пользователей;
- Обучение персонала, ответственного за эксплуатацию объектов;
- Создание безопасной среды для пользователей.
Проектирование должно быть ориентировано на создание комфортных и безопасных условий для всех пользователей, что в свою очередь снижает вероятность ошибок и несчастных случаев.
5. Оценка рисков
На этапе проектирования необходимо проводить оценку рисков, связанных с эксплуатацией объекта. Это включает в себя:
- Идентификацию потенциальных угроз;
- Анализ вероятности их возникновения;
- Оценку последствий в случае реализации угроз;
- Разработку мер по минимизации рисков.
Эта работа позволяет заранее выявить и устранить возможные проблемы, что значительно повышает уровень безопасности объекта в процессе его эксплуатации.
6. Устойчивость к внешним воздействиям
Проектирование объектов капитального строительства должно учитывать различные внешние воздействия, которые могут негативно сказаться на их безопасности. К таким воздействиям относятся:
- Стихийные бедствия (землетрясения, наводнения, ураганы);
- Человеческие факторы (вандализм, террористические акты);
- Изменения климатических условий (повышение температуры, увеличение осадков).
Для обеспечения устойчивости к этим воздействиям необходимо проводить комплексные исследования и использовать современные технологии, такие как:
- Сейсмостойкое проектирование;
- Использование устойчивых к коррозии материалов;
- Разработка систем дренажа и защиты от наводнений.
7. Энергоэффективность и устойчивое развитие
Современные требования к проектированию объектов капитального строительства также включают аспекты энергоэффективности и устойчивого развития. Это подразумевает:
- Использование возобновляемых источников энергии;
- Оптимизацию потребления ресурсов;
- Проектирование с учетом жизненного цикла здания.
Энергоэффективные здания не только снижают эксплуатационные расходы, но и уменьшают негативное воздействие на окружающую среду, что является важным аспектом безопасности.
8. Мониторинг и техническое обслуживание
После завершения строительства и ввода объекта в эксплуатацию важным этапом является организация мониторинга и технического обслуживания. Это включает в себя:
- Регулярные проверки состояния конструкций и инженерных систем;
- Плановое техническое обслуживание;
- Систему управления безопасностью.
Эффективный мониторинг позволяет своевременно выявлять и устранять потенциальные проблемы, что значительно повышает уровень безопасности эксплуатации объекта.
9. Обучение и информирование пользователей
Обучение пользователей и персонала, ответственного за эксплуатацию объектов, является важным аспектом обеспечения безопасности. Это включает в себя:
- Проведение инструктажей по безопасности;
- Обучение действиям в экстренных ситуациях;
- Информирование о правилах эксплуатации и обслуживания.
Знание правил безопасности и умение действовать в критических ситуациях могут существенно снизить риски и предотвратить несчастные случаи.
10. Инновационные технологии в проектировании
Современные технологии, такие как BIM (Building Information Modeling), позволяют значительно повысить уровень безопасности проектируемых объектов. Использование BIM-технологий дает возможность:
- Создавать точные модели зданий с учетом всех инженерных систем;
- Проводить анализ безопасности на этапе проектирования;
- Оптимизировать процессы строительства и эксплуатации.
Инновационные подходы к проектированию способствуют созданию более безопасных и устойчивых объектов капитального строительства.
Мероприятия по обеспечению доступа инвалидов к объекту капитального строительства
Обеспечение доступа инвалидов к объектам капитального строительства является важной задачей в области архитектурного проектирования. Это связано с необходимостью создания комфортной и безопасной среды для всех граждан, независимо от их физических возможностей. В рамках данной дисциплины необходимо учитывать различные аспекты, которые влияют на доступность зданий и сооружений.
Одним из ключевых моментов является соблюдение нормативных требований, которые регламентируют проектирование объектов с учетом потребностей людей с ограниченными возможностями. В большинстве стран существуют специальные законы и стандарты, которые обязывают архитекторов и проектировщиков учитывать доступность на всех этапах проектирования.
Важным аспектом является анализ существующих объектов и выявление их недостатков в плане доступности. Это может включать в себя обследование зданий на предмет наличия пандусов, лифтов, широких дверных проемов и других элементов, которые могут облегчить передвижение инвалидов. На основе этого анализа разрабатываются рекомендации по модернизации и реконструкции объектов.
При проектировании новых зданий необходимо учитывать принципы универсального дизайна, которые предполагают создание таких пространств, которые будут удобны для всех пользователей. Это включает в себя:
- Широкие проходы и коридоры для удобного передвижения на инвалидных колясках;
- Удобные пандусы с соответствующим углом наклона;
- Лифты, доступные для людей с ограниченными возможностями;
- Специальные туалетные комнаты, оборудованные для инвалидов;
- Информационные системы, доступные для людей с нарушениями слуха и зрения.
Кроме того, важно учитывать социальные аспекты доступности. Это означает, что проектирование должно быть направлено не только на физическую доступность, но и на создание комфортной и дружелюбной атмосферы для всех пользователей. Например, необходимо предусмотреть зоны отдыха, где люди смогут общаться и проводить время вместе.
Также следует обратить внимание на технологические решения, которые могут улучшить доступность. Это могут быть автоматические двери, системы навигации для слабовидящих, а также различные устройства, помогающие людям с ограниченными возможностями передвигаться по территории.
Важным этапом является консультация с представителями инвалидов и организациями, которые занимаются их поддержкой. Это позволит учесть реальные потребности и пожелания людей с ограниченными возможностями при проектировании объектов. Такой подход способствует созданию более инклюзивной среды и повышает качество жизни людей с инвалидностью.
Таким образом, мероприятия по обеспечению доступа инвалидов к объектам капитального строительства требуют комплексного подхода, который включает в себя соблюдение нормативных требований, применение принципов универсального дизайна, учет социальных аспектов и использование современных технологий. Все эти элементы должны быть интегрированы в процесс архитектурного проектирования для создания доступной и комфортной среды для всех граждан.
Важным аспектом проектирования доступной среды является учет различных типов инвалидности. Люди с ограниченными возможностями могут иметь разные потребности в зависимости от характера их инвалидности. Например, для людей с нарушениями слуха необходимо предусмотреть визуальные сигналы и системы оповещения, а для людей с нарушениями зрения — тактильные указатели и контрастные цветовые решения. Это требует от архитекторов гибкости и креативности в подходе к проектированию.
Также следует учитывать психологические аспекты доступности. Создание инклюзивной среды должно способствовать не только физическому, но и эмоциональному комфорту пользователей. Это может включать в себя создание уютных и безопасных пространств, где люди с ограниченными возможностями могут чувствовать себя уверенно и комфортно. Например, важно предусмотреть достаточное количество мест для отдыха, а также обеспечить доступ к информации о доступных услугах и ресурсах.
В процессе проектирования необходимо также учитывать функциональные зоны и их расположение. Например, важно, чтобы входы в здание, туалеты и другие ключевые элементы были расположены таким образом, чтобы минимизировать расстояние, которое необходимо преодолеть людям с ограниченными возможностями. Это может включать в себя создание удобных маршрутов передвижения, которые будут свободны от препятствий и обеспечат легкий доступ ко всем необходимым услугам.
Не менее важным является обучение персонала, который будет работать в проектируемых объектах. Сотрудники должны быть осведомлены о потребностях людей с ограниченными возможностями и уметь предоставлять необходимую помощь. Это может включать в себя обучение по вопросам коммуникации с людьми с различными формами инвалидности, а также знание о том, как использовать специальные устройства и оборудование.
Важным этапом является проведение тестирования проектируемых объектов на доступность. Это может включать в себя привлечение людей с ограниченными возможностями для оценки удобства и функциональности пространства. Полученные отзывы помогут выявить недостатки и внести необходимые изменения до завершения строительства.
Кроме того, необходимо учитывать долговечность и устойчивость проектируемых решений. Используемые материалы и технологии должны быть не только доступными, но и долговечными, чтобы обеспечить долгосрочную эксплуатацию объектов. Это также включает в себя регулярное обслуживание и обновление оборудования, чтобы поддерживать высокий уровень доступности.
В заключение, мероприятия по обеспечению доступа инвалидов к объектам капитального строительства требуют комплексного и многоуровневого подхода. Архитекторы и проектировщики должны учитывать не только физические аспекты доступности, но и социальные, психологические и функциональные. Это позволит создать инклюзивную среду, которая будет удобна и доступна для всех пользователей, независимо от их физических возможностей.
Смета на строительство, реконструкцию, капитальный ремонт, снос объекта капитального строительства
Смета на строительство, реконструкцию, капитальный ремонт и снос объекта капитального строительства является важным документом, который определяет стоимость всех работ и материалов, необходимых для реализации проекта. В рамках дисциплины архитектурного проектирования, смета играет ключевую роль, так как она позволяет не только оценить финансовые затраты, но и спланировать весь процесс строительства.
Смета формируется на основе проектной документации, которая включает в себя архитектурные, конструктивные и инженерные решения. Важно отметить, что сметная документация должна быть составлена с учетом всех норм и правил, действующих в области строительства. Это включает в себя как федеральные, так и региональные стандарты, а также требования к безопасности и экологии.
Процесс составления сметы можно разделить на несколько этапов:
- Сбор исходных данных: На этом этапе необходимо собрать всю необходимую информацию о проекте, включая архитектурные чертежи, спецификации материалов и оборудования, а также данные о местных условиях строительства.
- Определение объемов работ: На основе проектной документации определяются объемы всех работ, которые необходимо выполнить. Это может включать в себя земляные работы, монтаж конструкций, отделочные работы и т.д.
- Расчет стоимости материалов: Для каждого вида работ необходимо рассчитать стоимость используемых материалов. Это включает в себя как прямые затраты на закупку, так и косвенные расходы, такие как транспортировка и хранение.
- Оценка трудозатрат: Важно учесть количество рабочих часов, необходимых для выполнения каждой операции. Это позволяет более точно рассчитать стоимость рабочей силы.
- Составление сметной таблицы: Все собранные данные и расчеты сводятся в единую таблицу, где указываются объемы работ, стоимость материалов, трудозатраты и общая стоимость проекта.
Каждый из этих этапов требует внимательного подхода и тщательной проработки, так как ошибки на любом из них могут привести к значительным перерасходам бюджета. Кроме того, важно учитывать возможные риски и непредвиденные обстоятельства, которые могут возникнуть в процессе строительства.
Смета также должна быть гибкой и адаптируемой, так как в процессе реализации проекта могут возникать изменения, требующие пересмотра первоначальных расчетов. Это может быть связано с изменением цен на материалы, изменением объемов работ или корректировкой проектных решений.
Важным аспектом сметного учета является использование современных программных решений, которые позволяют автоматизировать процесс составления смет и минимизировать вероятность ошибок. Такие программы могут интегрироваться с другими системами управления проектами, что позволяет обеспечить более эффективное планирование и контроль за выполнением работ.
Таким образом, смета на строительство, реконструкцию, капитальный ремонт и снос объекта капитального строительства является неотъемлемой частью архитектурного проектирования, обеспечивая финансовую прозрачность и контроль на всех этапах реализации проекта.
При составлении сметы также необходимо учитывать различные виды затрат, которые могут возникнуть в процессе строительства. К ним относятся:
- Прямые затраты: Это затраты, непосредственно связанные с выполнением строительных работ, включая стоимость материалов, оплату труда рабочих и аренду техники.
- Косвенные затраты: Эти затраты не могут быть напрямую отнесены к конкретным работам, но они необходимы для успешного завершения проекта. Сюда входят расходы на управление проектом, страхование, налоги и прочие административные расходы.
- Непредвиденные расходы: В процессе строительства могут возникнуть ситуации, требующие дополнительных затрат, такие как необходимость в дополнительных материалах или изменениях в проекте. Обычно для таких случаев закладывается резерв в размере 5-10% от общей сметы.
Кроме того, важно учитывать сезонные факторы, которые могут повлиять на стоимость работ. Например, в зимний период затраты на отопление и защиту материалов от замерзания могут значительно увеличиться. Также стоит обратить внимание на возможные изменения в законодательстве, которые могут повлиять на стоимость разрешительных документов или на требования к безопасности.
Смета должна быть не только точной, но и понятной для всех участников проекта. Это означает, что она должна содержать четкие описания всех работ и материалов, а также обоснования для каждого из расчетов. Прозрачность сметы способствует лучшему пониманию проекта всеми заинтересованными сторонами, включая заказчика, подрядчика и контролирующие органы.
Важным аспектом является также регулярное обновление сметной документации в процессе выполнения работ. Это позволяет отслеживать фактические затраты и сравнивать их с запланированными, что, в свою очередь, помогает выявлять отклонения и принимать меры для их устранения. Ведение актуальной сметы позволяет избежать перерасходов и обеспечивает более эффективное управление проектом.
Для повышения точности сметных расчетов рекомендуется использовать методики, такие как:
- Анализ аналогичных проектов: Сравнение с предыдущими проектами позволяет получить более точные данные о стоимости работ и материалов.
- Использование сметных норм и расценок: Применение стандартных расценок, установленных в сметных справочниках, помогает избежать ошибок в расчетах.
- Применение программного обеспечения: Современные программы для составления смет позволяют автоматизировать процесс и минимизировать вероятность ошибок.
Таким образом, смета на строительство, реконструкцию, капитальный ремонт и снос объекта капитального строительства является важным инструментом, который обеспечивает финансовую устойчивость проекта и позволяет эффективно управлять ресурсами. Правильное составление и ведение сметной документации способствует успешной реализации архитектурных проектов и минимизации рисков, связанных с перерасходами и задержками.


















